【船机帮】船用燃油辅助锅炉介绍
2022-06-28
船机故障心莫慌,遇事不决船机帮
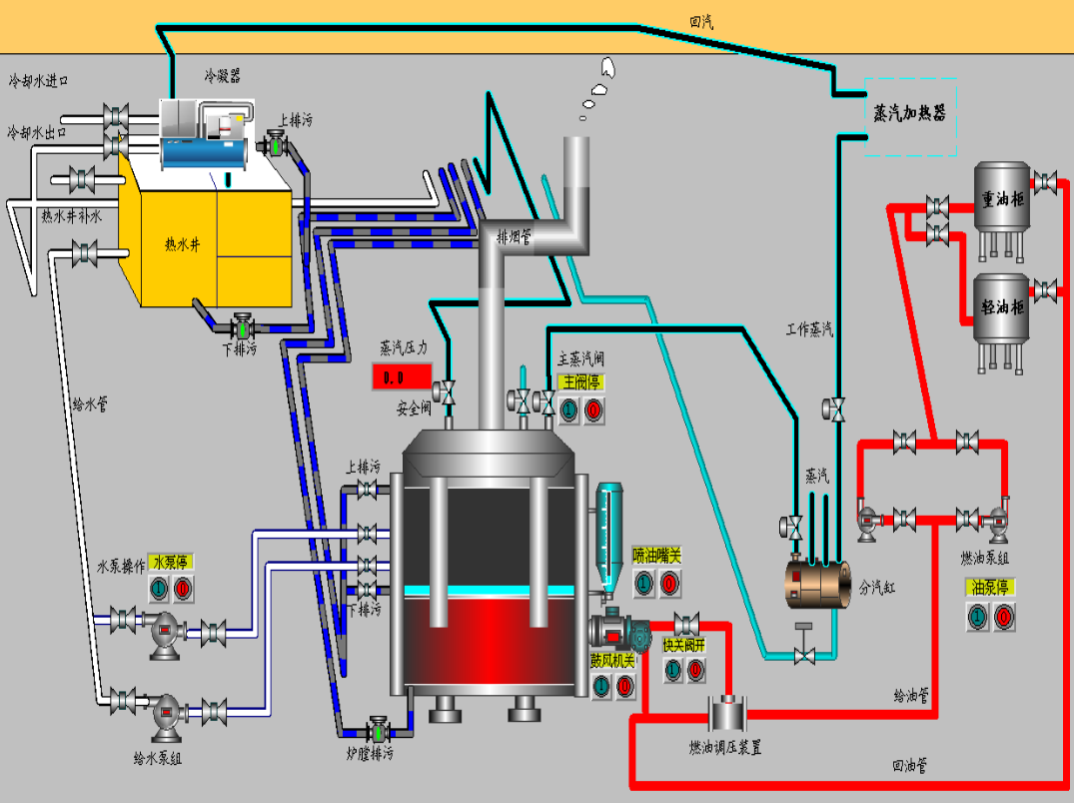
LSK1.0-0.7 船用燃油辅助锅炉
五、锅炉可能发生的事故及处理方法
1、缺水
a、锅炉自动给水时,如给水柜缺水或其它原因引起锅炉水位降至极限低水位时,锅炉自动报警,切断燃烧、锁定,只有在检查故障原因并排除后,锅炉才能重新投入运行。
b、当突然发现水位低水位,而自动控制系统又不报警,但此时在水位表中还可以看到水位时,则应立即手动补充给水和停炉检查自动控制系统的故障原因并予以排除。
C、当突然发现水位表内已经看不到水位时;
应立即停炉检查,不可进行手动补充给水,以免由于温度低的水位接触过热的锅炉受热面而引起材料或结构损坏。
2.超压
当在外部负荷不变的情况下,锅炉汽压超过允许使用压力而直至安全阀启跳时,应立即停炉检查原因。
若锅炉处于自动运行状态,则检查自动控制系统及有关控制器,找出原因予以排除。
当锅炉处于手动运行状态,则立即纠正操作疏忽。
3.满水
高过最高工作水位蒸汽大量携水,水击、腐蚀管路停止送汽,上排污,管路上泄水。
4.受热面管子破裂
结垢严重、水循环不良等导致管壁过热或腐蚀严重受热面温度降低前继续给水堵管或换管其他如给水系统进油,进海水,排污阀漏等。
六、辅锅炉停用时保养
1.短期停炉1-2天时,锅炉水位应保持在水位计中部偏高处。
2.停炉时间较长,但不超过一个月,锅炉可用浸水法处理。
3.停炉时间超过一个月时,则必须采取干燥法保存锅炉。
END
所有文章未经授权禁止转载、摘编、复制或建立镜像,违规转载法律必究。

