| 时间:2021-06-07 | 编辑:E航网 | 阅读:1627 | 分享: |
点击蓝字“船机帮”关注我们
船机故障心莫慌,遇事不决船机帮
导读
某载质量为17万t 的散货船在某次离港时因主机遥控系统失效导致离港失败,被港口国当局滞留。
经过轮机部员工的彻夜抢修,最终妥善解决该故障,使得船舶在最短的时间内再次投入正常运营。
经分析,事故由不间断电源的自带电池损坏引起,本文将对事故原因和故障维修经过进行阐述。
一
事故经过
该船在澳大利亚Headland 港停靠2d,装货完成后于当日2042时备车离港,2130 时驾驶台控制主机以 HALF AHEAD(52r/min) 转速运行。
船舶首尾拖船刚刚解除,主机遥控控制系统就突发异常警报,驾驶台操作面板和集控室操作面板所有LED 灯闪烁,主机立即自动保护停车。
机舱随后进行机旁应急操车,主机重新启动和换向运行均正常,然而驾驶台中间和两侧以及集控室的主机转速指示器均无显示。
澳方引航员认定此时船况极其危险,立即召来双倍拖船,并报告PSC当局该船动力失效须靠回码头,2330 时船舶被拖回码头停泊。
船舶靠回码头后,轮机长即刻将事故经过向船公司汇报并组织修复工作,于次日 0230 时将所有警报消除,对主机进行试车操作,一切恢复正常。
0800 时,PSC 官员对主机重新进行测试并评估船舶适航性,在得到认可后船舶于 0900 时再次备车顺利离港。
二
事故原因分析
该船主机型号为DOOSAN-MAN B&W 6S70MC,最大持续功率16858kW,额定转速91r/min。
主机遥控系统采用的是KONGSBERG Autochief-4 型控制器,其由驾驶台控制单元(BCU) 、集控室控制单元 (ECU) 、安 全 系 统 单 元 (SSU) 、转 速 控 制 单 元 (DGU) 、车钟和车令单元( ET和TH) 、控制指令打印单元(OPU) 和主机应急单元(EEU) 组成,各单元间通过公共总线连接以实现信息传递。
主机控制系统原理如图1所示。
图1 主机控制系统原理
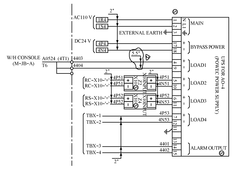
首先检查电路硬件是否损坏,在确认良好后检测到不间断电源 (UPS) 的负载输出端 LOAD-1、LOAD-2、LOAD-3、LOAD-4( 见图2) 的直流电压值一直在17~20 V 之间波动,而这4路输出分别连接的是驾驶台控制单元、机舱控制单元、安全系统单元和 主机指示盘等设备,由此可知由于供电电压不稳导致设备上的 LED 灯频闪。
图 2 控制系统 UPS 电路连接示意
由Autochief-4的系统原理图和部件组成可知,所有主机转速的显示值都是遥控系统对主机物理数据进行采集,然后通过SSU传输出去的。
在故障发生时,轮机人员发现集控室操作面板上所有LED指示灯闪烁而将其内部电源关闭,因此事故发生后驾驶台和集控室看不到主机转速的显示值。
图 3 UPS 供电控制柜
根据 Autochief-4 的说明书及UPS供电控制柜 (见图3) 的供电实际接线可知,为 UPS 供电的线路分别为:
(1) 主配电盘110V交流电通过MCCB1和1个连锁开关接到UPS上为其供电;
(2) 应急配电盘110V交流电通过MCCB2 和连锁开关接到UPS上为其供电;
(3) 船用24V通用电池组直接接过来的直流电为其供电。
其中: 线路(1) 和线路(2) 互为连锁,当主配电盘失电后应急配电盘立即供电; 通过控制开关选择由船用24V通用电池组或UPS自带 电池组供电,只有当检修或给UPS更换自带电池组时才选择线路(3) 为UPS供电。
经过检测发现,产生问题的正是这2个12V的铅酸可充电电池,其因快到寿命期而损坏,导致蓄电能力弱、绝缘性差且易漏电,使得 UPS 不能正常工作,输出线路电压不稳引发控制系统面板上的LED灯不停闪烁,且控制系统的信号也不能良好传递,进而引发故障自动停车。
三
故障处理
由于 UPS 自带电池组损坏,将转换开关选择到船用DC 24 V 通用电池组供电,测量其电压值稳定在 25.5 V。
对各控制单元面板启动复位,逐一打开各控制箱内电源启动开关(见图4) 。
图4 控制系统组元电气箱内部结构
Autochief-4 的组元除DGU外,各控制面板开启后均正常显示; 而当启动到DGU控制面板时,面板出现“- -error”,重新关闭并对内部各Processor Card进行外观良好性检查和重新固定牢靠,确认无异后再次开启电源开关,面板出现“- -load”,说明此时内部 EEPROM正在加载默认参数值。
查阅DGU参数清单,对比默认参数值与实际所需设定值是否有误差,若有误差则必须重新修正。
将面板上的钥匙转至“OPEN”,在“Parameter” 下选择“99”地址,然后在参数值“Value”一栏写入 “47”,再将钥匙转至“LOCK”,选择需要修改的“Op Code 0,1,2,3”,把钥匙再次转换到“OPEN”即可对其参数值进行逐条检查和修正。
检查时发现在“Op Code 1”下“Parameter 2”( 代表飞轮的齿数) 的默认值是60,实际值却是 64,这个参数值的差异将导致非常严重的后果。
在Autochief-4主机遥控系统单元中,DGU 并不是由UPS供电的,也没有出现 LED 灯闪烁故障,只是故障发生时原因未明,因而将所有面板电源全部关闭。
突然的掉电导致DGU内部正在读写的数据 丢失,重新供电后系统只能重置到初始化的参数。
参照DGU内部参数清单对各项参数逐一检查,保证参数值的设置与实际情况相符;
然后给 UPS 重新更换2个经检测合格的 12V电池,UPS 电源选择开关重新拨到电池供电挡;
分别对主机进行集控室和驾驶台遥控试车,没有再发生故障警报,维修完毕。
四
结束语
现代船舶机舱设备的自动化程度日益提高,主机控制系统的集成化、自动化、专业化程度也越来越高,这会让一些轮机员无从下手,产生畏惧心理。
设备的检修和保养由厂家服务工程师来船完成,无疑会带来不安全因素并造成事故隐患。
只要轮机员加强学习,就会减少畏怯,遇到故障时就能沉着冷静地对待,尽可能减少故障的发生和挽回损失,真正提高轮机管理水平。
目前,控制系统的设备都朝着模块化的方向发展,故而引起故障的原因通常很“细微”,只要能够熟悉原理,按照查找、分析、测试和判断的步骤对设备器件逐项检查,此类 故障就能迎刃而解。
本文原创作者系:
厦门海隆对外劳务合作有限公司 陈明亮
END
感谢阅读和关注
Thanks for reading and attention
感谢分享朋友圈
或点击“在看”
因为有你,
我们会更努力!
来源:船机帮
电话:025-85511250 / 85511260 / 85511275
传真:025-85567816
邮箱:89655699@qq.com



