| 时间:2021-06-22 | 编辑:E航网 | 阅读:1071 | 分享: |
点击蓝字“船机帮”关注我们
船机故障心莫慌,遇事不决船机帮
导读
某远洋船舶主机为瓦锡兰8L46C,最大功率8400kW。
2016年,在太平洋某海域漂航数日后的一次备航过程中,轮机员按照备航程序对左主机进行冲车,发现左主机6缸的示功阀处有大量水雾冲出。
检查确认气瓶压力后再次冲车,情况复现;同时,检查发现6缸的曲轴箱缸壁有明水痕。
为尽快排除故障,轮机员立即组织技术骨干对对故障进行分析定位。
一
机身淡水系统分析
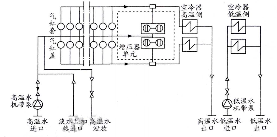
该型主机机机身淡水系统 (见图1)采用闭式冷却系统,分高温淡水系统和低温淡水系统,冷却水由外部海水经中央冷却集中冷却。
图 1 主机机身淡水系统示意
发动机配备高、低温冷却的两级增压空气系统冷却器,以增加高温水中可利用的热量,或对较低温度的增压空气进行预热。
高温水系统主要冷却发动机的气缸套、气缸盖以及增压空气。
高温水机带泵将冷却水泵至铸造在机身内的高温水通道,进而流过气缸套的冷却水孔,然后向上冷却气缸盖;气缸盖中的中间隔板具有导流导向作用,可以使冷却水沿气缸盖底板流到气阀、排气阀座,再向上冷却喷油器套筒;然后高温水离开气缸盖,经过组合通道到达出机总管,经空冷器高温侧流出机体。
二
故障排查
根据该型主机备航的程序要求,每次启动前均以2.5MPa左右的压缩空气冲车5~10s。
2次冲车时均有水汽冲出,说明该气缸内部有一定容量的液态水。
检查6号气缸的曲轴箱,确认有水沿缸壁流下,即确认气缸内部、活塞顶部囤积有较多水。
1.检查主机缸头缸套垫圈
仔细查主机结构说明书,发现冷却水经气缸冷却后,以气缸盖垫片和循环水腔O形圈连接至气缸套。
气缸盖垫片不仅起到密封气缸的作用,而且还有密封缸套高温冷却水的作用。
若该连接部位密封不严,则可造成冷却水从泄漏处泄漏至气缸内部、活塞顶部,造成冲车水雾现象。
待机身内部冷却水排空后将该缸头吊出,确认气缸套内部、活塞顶部有大量积水,同时气缸套和活塞顶部有大量锈蚀(见图2)。
图2 气缸套锈蚀情况
仔细检查该处的汽缸盖垫片和循环水腔O形圈,发现磨损及变形均在要求范内。
泄放冷却水时检查,冷却水正常无变黑情况、分析认为若气缸盖垫片渗水,则在主机运行时燃气也会反渗入冷却水中,使得冷却水变黑。
因此,确定铜质垫片正常,无渗水,排除缸套垫圈失效导致故障的可能性。
2.检查喷油器套简
喷油器头部直接与高温燃气接触,工作条件极为苛刻,为保证喷油器正常工作,该主机采用高温淡水冷却式喷油器(见图3)。
图3 喷油器局部示意图
由于喷油器套筒外部以高温水冷却,存在渗水至气缸内的可能性因此也应检查喷油器套筒部位情况。
经吊缸拆检后,目视检查喷油器头部未有渗水情况 (见图4)。
图4 喷油器头部
根据分析,喷油器套管是冷套过盈配合装入气缸盖的,该主机缸头自安装后尚未进行过拆解修理,故一般不会出现问题。
为更精准地排除故障,检修人员决定对该主机缸头采取泵压试验。
3.检查排气阀座
气阀阀座和阀座底面是燃烧室壁面的一部分,受到燃气高温高压的作用。
特别是排气阀,由于受到排气气流650~800℃高温的烧蚀,工作环境非常恶劣。
为保证良好的工作状态,须以高温冷却水冷却排气阀座。
气缸盖的气阀局部剖视图见图5。
图5 气阀局部剖视图
在主机运转时,进排气阀座随凸轮轴的转动而周期性地打开、闭合,高温高压燃气直接作用在阀座底盘上,对阀座端面及气缸盖下部阀座端面造成周期性的冲击。
为减小阀座与气缸盖下部阀座端面的冲击,通常在气阀座底盘边缘部设计一定的倒角,允许一定的磨损以满足密封性要求。
查阅该型号主机说明书可知,其进气阀的接触面设计角度为20°,排气阀为30°。
若因阀座与气缸盖底部端面长时间周期性冲击造成磨损量较大而超过允许值,也可造成漏水情况。
图6 进排气阀座
由于进排气阀座 (见图6)的拆下和安装均要求在苛刻的工作温度下进行,如阀座须在-190℃液氮中冷却安装,且安装时气阀导管外部接触面须用阀座研磨机研磨,以满足一定的同心度要求。
目前该船不具备这样的超低温和精细研磨条件,故不考虑直接拆检进排气阀。
三
故障定位和排查
目视情况下难以精准确定故障点,检修人员考虑泵压气缸盖以查找漏水点。
对该气缸盖锈蚀部位进行除锈、清洁,清除内部积油、积水等;
然后将其吊起悬空,自制楔形木塞堵住气缸盖下部冷却水通道,对所有的水流通道、孔等仔细进行确认,确保泵压效果;
随后由气缸盖顶部向内部水腔加水加压,至主机运行正常工作水压为0.25MPa时,检修人发现排气阀座侧有水渗出(见图7),且随着水压加大渗水量不断增加。
图7 泵压时排气阀座出现渗水
观察喷油器中心套底部,未发现水迹,至此最终定位导致冲车时冲出大量水雾的故障部位。
由于后续航行用机要求及船上检修条件限制,不能立即对该损坏排气阀进行拆检、换新,检修人员经与驾驶室沟通后,决定直接更换备用气缸盖。
应说明书要求,气缸盖整体拆检须同时更换气缸盖和气缸套垫圈、清洁连接端面、打磨除锈清洁活塞上部和气缸内部,再安装新缸头、摇臂机构、喷油器、高压油管 和冷却水管等部件,并严格按照主机说明书规定的预紧力拧紧各部件的螺栓,保证缸头内部的应力平衡。
安装完毕后,按程序进行主机冲车,检查该缸无水雾冲出,主机启动后运行状态良好,该换新气缸盖工作正常。
至此,故障成功排除。
四
结论
此次故障的发现归功于轮机人员严格按照主机备航程序进行设备的依次操作,而从拆检后的气缸套内部、活塞顶部以及进排气管锈蚀情况看,该缸头漏水情况不是突发性的故障,而是已有一段时间。
主机运行时,由于排气阀座处的渗水量不足以影响缸内燃烧的高温高压燃气,对该缸的燃烧工况、排气温度等影响不大,因而报警监测系统未察觉异常。
(1)虽然船舶现代化管理技术日益更新、手段更加先进、功能更加集成,但现代化的管理系统只是一种辅助管理手段,设备管理人员仍然是设备管理的“第一责任人”,加强岗位人员的设备巡视责任心、设备操作的熟练度、故障排查的精准度,才是对设备最 “高级 ”的管理手段 。
(2)此次排气阀座漏水故障发生在气缸内部,平常不易察觉。因此,要定期检查主机的排烟颜色,以便能及时发现一些不易察觉的隐患。
值班人员在备、用车时,应当严格按照主机备航程序以及相应的操车程序执行,不可因麻痹、懈怠、懒惰等思想而遗漏一些操作程序。
(3)此次故障定位比较简单,但故障的排查过程却是对岗位人员专业技术技能的考验。
同时,由于气缸盖拆检与安装涉及的部件较多,相应的力矩参数等要求也较多,设备管理人员应注重检修能力的专业化、思考问题的扩展化、故障分析的清晰化,尽量做到每步操作都有据可依。
本文原创作者系:
中国卫星海上测控部
熊兵 顾含 董庆丰 张志刚
END
感谢阅读和关注
Thanks for reading and attention
感谢分享朋友圈
或点击“在看”
因为有你,
我们会更努力!
来源:船机帮
电话:025-85511250 / 85511260 / 85511275
传真:025-85567816
邮箱:89655699@qq.com



