| 时间:2021-06-30 | 编辑:E航网 | 阅读:1009 | 分享: |
点击蓝字“船机帮”关注我们
船机故障心莫慌,遇事不决船机帮
导读
6DK28e柴油机是陕柴重工2013年引进研制的新机型,主要用作船用发电机组的原动机。
某年9月,6DK28e柴油发电机组在试车过程中,在负荷一定的情况下,柴油机转速出现间歇性波动 (即柴油机出现游车现象),导致4台机组无法并车。
本文就该型机游车故障的现象、产生原因及其对策进行具体分析。
一
故障描述
该6DK28e柴油发电机组用于大连船舶重工3900TEU船用主发电机组,每船共4台套。
某年9月15日,该机组在厂内进行台架试验时发现:
在负荷一定时,转速出现间歇性波动 (即游车)现象 ,无法并车。
二
游车原因分析
由于6DK28e柴油机采用的是液压全制式RHD10M—PC调速器,属于全封闭式调速 器,从外观检查无异常现象,因此进行以下进一步排查。
1.高压油泵齿条
6DK28柴油机调速器的工作原理是:
调速器通过调速器连接杆、控制杆带动高压油泵齿条调节高压油泵供油量。
如果高压油泵柱塞偶件严重磨损、齿条与齿圈啮合不良、燃油黏度过高,都会导致高 压油泵齿条直线运动阻力过大,甚至卡死 ;
只有当柴油机转速达到一定值时,齿条才能够左右直线移动,这样就会造成柴油机转速波动加大,即出现游车现象。
6DK28e柴油机发生游车现象后,立即停车检查,首先拔掉高压油泵齿条与调速器连接杆的连接销,使高压油泵齿条处于自由状态,从最低稳定转速 300(r/min )到额定转速 750(r/min ),运转柴油机,观察高压油泵齿条运动情况,发现:
高压油泵齿条运转灵活,无卡滞现象;
于是重新安装高压油泵齿条与调速器连接杆的连接销,使高压油泵齿条处于工作状态,重新起动柴油机,发现游车依然存在;
因此可以断定柴油机游车与高压油泵无关。
2.调速器
(1) 调速器工作性能
6DK28e柴油机使用的调速器是日本产RHD10.MPC调速器,在陕柴试验现场由服务工程师对该调速器进行分解,发现调速器花键传动轴严重磨损 (见图 1)。
图 1 异常磨损的花键轴
花键轴严重磨损后,其与花键联轴节的配合间隙变大,调速器反应滞后,导致调速器输出轴工作不正常,并出现间歇振动,造成高压油泵齿条抖动达2mm左右,使柴油机转速出现间歇波动,即产生游车现象。
(2)调速器传动齿轮副排查
众所周知,调速器的整体眭能取决于柴油机、高压油泵性能、调逮陛能及负载性能的良好匹配外,传动机构的间隙、齿轮齿隙、摩擦阻力等非线性因素等造成的信息传递延迟也对调速器性能有重大影响。
RHD10调速器由柴油机凸轮轴经一对伞齿轮、花键联轴节带动调速器花键轴,驱动调速器运转(见图2)。
图 2 调速器的传动
用手从驱动调速器的花键轴处转动伞齿轮 (1),由于花键联轴节与调速器的花键轴之间配合间隙过大,因此在转动伞齿轮(1)过程中,发现伞齿轮(1)有 3~5个空转行程;
又由于花键联轴节是一个细长杆结构,其刚度很差,当柴油机处于工作状态,特别是变工况时,花键联轴节会发生扭转变形,造成调速器反应滞后,调速器输出轴出现快速无规律振动,引起高压油泵齿条抖动,造成柴油机游车。
①检查调速器传动伞齿轮齿隙,发现伞齿轮齿隙为0.9mm,而规定的标准齿隙为0.01~0.10mm, 超差0.8mm,不符合图纸要求。
正如上述分析,齿隙超差因素造成了调速器信息延迟,使柴油机出现游车现象。
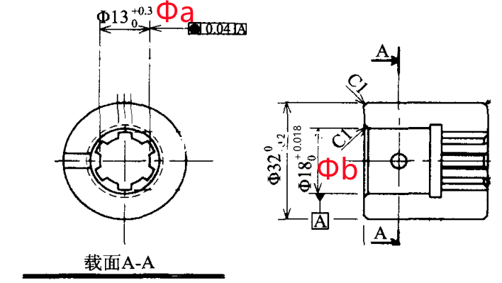
图 3 花键联轴节
(2)检查花键联轴节 (见图3),经查阅图纸后发现花键联轴节设计尺寸不合理,Фa孔对 Фb孔无同轴度要求,对装机及库存的花键联轴节Фa孔对Фb孔同轴度与进口件做对比测量,发现国产件两孔同轴度为 0.29mm~0.41mm,进口件为0.04mm,国产花键联轴节同轴度超差近10倍。
同理,花键联轴节同轴度超差也会引起调速器反应滞后,高压油泵齿条抖动,造成柴油机游车。
从以上分析可以看出调速器传动齿轮间隙超差、调速器花键传动轴异常磨损、调速器花键联轴节尺寸设计不合理是造成柴油机游车的主要原因。
3.调速器滑油油位排查
排查调速器油位,发现调速器滑油油位比正常油位高许多,超出了玻璃刻线,这样将使空气卷入油道,造成滑油流动的连续性和补偿作用的敏感性降低,也会导致柴油机游车。
因此油位过高也是6DK28e柴油机游车的原因之一。
三
对策
1.针对伞齿轮副齿隙超差问题,在调速器安装底座与柴油机机身之间临时增加垫片调整,保证伞齿轮副齿隙在0.01~0.10mm之间,后续再对伞齿轮图纸进行完善。
在伞齿轮图纸中增加技术条件:“渗碳淬火后,该齿轮与配对齿轮一起研磨、抛光”。
另外还增加了伞齿轮安装端面对中心的垂 直度为 0.03的要求,以保证伞齿轮副的啮合齿隙在规定范围内。
2.针对调速器传动轴异常磨损主要是由于花键联轴节硬度过高,与调速器传动轴硬度不匹配所致的问题,采取的对策是降低花键联轴节硬度,使其与调速器传动轴硬度相匹配。
3.增加花键联轴节Фa孔对Фb孔同轴度要求:
0.04mm(见图3),并改进加工工艺如下:
①在内花键加工前要求找Фb孔,并以Фb孔为定位孔,Фb对花键中心孔Фa孔中心的跳动量不大0.02mm。
②在终检工序中,增加了同轴度0.04mm的检验要求,对两孔同轴度进行严格检验。
经过试加工、试装配及实机运行表明,按照改进设计后的图纸及工艺加工出的零件,完全可以保证内花键中心Фa中心与零件上Фb定位孔中心的同轴度在0.04mm以内,与进口件相同。
4.针对调速器油位过高问题,采取的措施是:
从柴油机上拆下调速器,拧开旋塞放掉旧油,重新加油到调速器油位玻璃刻线,然后将调速器安装到柴油机上,并进行驱气。
四
结论
(1)安装底座与柴油机机身之间临时增加垫片,保证了调速器传动伞齿轮齿隙在在0.01~010mm之间;
在图纸上增加配对齿轮研磨并抛光技术条件及伞齿轮安装端面垂直度要求,解决了调速器传动伞齿轮齿隙超差问题,提高了调速器对信息响应的敏感性,从根本上杜绝了该型柴油机游车事故发生。
(2)在满足性能的前提下,通过降低花键联轴节的硬度,使其与调速器花键轴相匹配,解决了调速器花键轴异常磨损问题。
(3)通过改进花键联轴节结构尺寸,增加花键内孔同轴度,改进机加工艺,提高了调速器信息响应的灵敏度,杜绝了高压油泵齿条抖动问题,使调速器游车问题得到解决。
(4)通过严格控制调速器滑油油位并驱气,避免了空气进入调速器油道,提高了滑油流动的连续性和对补偿作用的敏感性,消除了调速器游车影响因素。
总之,经采取以上措施,柴油机转速间歇性波动现象消失,6DK28e柴油发电机组顺利完成并车试验;
后续生产的6DK28e柴油发电机组再未出现过游车现象。
本文原创作者系:
陕西柴油机重工有限公司 闰甲良
END
感谢阅读和关注
Thanks for reading and attention
感谢分享朋友圈
或点击“在看”
因为有你,
我们会更努力!
来源:船机帮
电话:025-85511250 / 85511260 / 85511275
传真:025-85567816
邮箱:89655699@qq.com



