| 时间:2021-08-03 | 编辑:E航网 | 阅读:1596 | 分享: |
点击蓝字“船机帮”关注我们
船机故障心莫慌,遇事不决船机帮
导读
对远洋航行船舶来说,冷藏系统的主要作用是使冷库维持适宜的低温,使保存在库中的水果、蔬菜、粮食、乳品等的保鲜时间延长,保障船员远洋航行的饮食健康。
某船某航次中冷藏系统出现乳品库和粮食库高温报警,控制箱上的触摸屏也显示两个库的温度已超过设定温度,入库检查发现两个库内的风机停止工作。
针对这起故障,进行了详细分析与排查。
一
冷藏系统的组成及工作原理
某船高温冷藏系统由电气系统和制冷系统组成:
电气系统主要由三菱 PLC、断路器、接触器、继电器、电磁阀等元器件组成,可实现压缩机的自动启停和控制库温恒定;
制冷系统为蒸汽压缩式,主要由压缩机、冷凝器、膨胀阀和蒸发器组成,其中蒸发器在粮食库、水果库、蔬菜库、乳品库 4 个冷库中均有,当制冷系统运行后,制冷剂流经各冷库内的蒸发器时在风机的作用下就能使库温逐步降低。
1.制冷循环的基本原理(图1)
图 1 制冷循环原理
制冷循环中,压缩机、冷凝器、膨胀阀和蒸发器四大部件和管系形成一封闭系统,系统中充有制冷工质(制冷剂)循环,制冷剂流过膨胀阀时,因为膨胀阀有节流作用,制冷剂的压力降低、温度降低,使制冷剂进入蒸 发器后吸取冷库内空气的热量而汽化,压缩机将此低温低压的制冷剂蒸气吸入气缸,并对其进行压缩,使制冷剂的压力升高,温度升高,排至冷凝器,冷凝器利用舷外水对制冷剂蒸气冷却冷凝,使其汽化,将从冷库中带来的热量和压缩功转换的热量放出,再次进膨胀阀节流降压,进入蒸发器汽化吸热。
如此循环,以实现连续不断地制冷。
2.高温冷藏系统库温自动控制原理
为了使冷库温度控制更加智能化,某船高温冷藏系统利用三菱 PLC 实现手动和自动两种控制模式。
自动模式下,高温冷藏系统压缩机的启动和停止受库温控制。
当库温升高时,压缩机自动启动,同时库内风机、控制制冷剂导通的电磁阀亦通电工作;
当库温降至设定温度后,对应库的风机、控制制冷剂导通的电磁阀停止工作;
当所有库的温度均降至设定值时,压缩机自动停机。
手动模式下,高温冷藏系统压缩机的启动和停止为人工控制,同时库内风机和控制制冷剂导通的电磁阀是否工作也受人工控制。
二
故障分析
粮食库和乳品库出现高温报警时,压缩机正常工作且蔬菜库、水果库温度正常,说明冷藏系统整体工作正常,只是部分冷库一些环节出现故障。
入库检查发现蔬菜库、水果库风机工作正常,但粮食库和乳品库的风机并未工作。
由此可以初步分析,故障原因可能为以下 4 个。
(1)风机电路故障。
主电源故障或者控制电路出现故障,均能导致风机不工作。
(2)制冷剂导通控制电磁阀故障。
如果该电磁阀未通电工作或阀体损坏,制冷剂不能顺利流经膨胀阀,进而无法流经库内蒸发器实现制冷。
(3)PLC 故障。
如果主 PLC 或扩展模块损坏,可导致 PLC 无法正常输出。
(4)制冷剂管路不通畅。
若制冷剂管路脏堵,可导致制冷剂无法流至蒸发器,从而无法实现制冷。
三
故障排查
根据故障分析结果,首先对风机电路、电磁阀、PLC 进行检查。
如果没有找出故障原因,还需对制冷剂管路系统进行检查。
1.风机电路检查
由于风机不工作,首先检查电源是否正常。
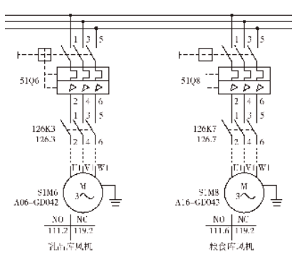
对粮食库风机主电路上开关 51Q6、乳品库风机主电路上开关 51Q8 检查发现,两个开关进线端和出线端电压均为AC 380 V(图2)。
图 2 粮食库和乳品库风机主电路
然后分别对主电路上的 126K7、126K3 继电器进行检查,发现两个继电器主电路进线端电压为 AC 380 V,出线端电压为 0 V,且继电器控制线圈电压为 0 V。
由此可以判定两个库风机不工作的原因非主电源故障,而是控制电路故障。
2.PLC 控制模块检查
控制风机启停的 126K7、126K3 继电器受三菱 PLC 输出模块 103D2 控制,该模块通过扩展线与主PLC 相连(图3):
图 3 103D2 输出模块输出接线
Y24、Y21 输出接口分别接 126K7、126K3 继电器线圈,两个线圈另一端接在 N 相电源线,L 相电源则接在 COM1,其中电源线 L 与 N 之间的电压为AC 220 V。
库内风机正常工作的前提是PLC输出点Y24、Y21 有输出,实际检查发现这两个触点输出指示灯绿灯亮,说明 PLC 程序运行正常且正常输出,但是Y21、Y24 与 “N”相电源线之间电压均为 0 V(正常情况下其电压应为AC 220V),由此可以判定 103D2 模块的外接电源不正常。
根据图中所示,在电气控制箱找到开关 103F2,发现该开关处于断开状态,且手动合上后立即跳闸。
由于103F2 开关是过流保护开关(流过的电流不得超过 2 A),即电流过大时会自动断开。
由此可以判定,103D2 模块所控制的电路存在短路或绝缘低故障。
将高温冷藏系统停止工作后,断开控制箱总电源开关。
用万用表依次检测“COM2”与 Y24、Y25 之间的电阻,只有“COM2”与Y25 之间的电阻约为 0.5 Ω(流过的电流大于 2 A),说明Y24 控制的风机启停继电器不存在短路情况,而 Y25 控制的制冷剂导通控制电磁阀存在短路或阻值明显下降情况。
之后对 “COM1”与Y20、Y21、Y22、Y23 之间的电阻进行检查,其值均正常。
由此可以判定,导致103F2 开关合不上闸的原因为控制粮食库制冷剂导通的电磁阀故障。
3.控制电磁阀检查
粮食库电磁阀
进入粮食库,找到控制粮食库制冷剂导通的电磁阀,发现该电磁阀外壳有明显腐蚀。
将电磁阀外部线缆接线从接线盒中拆开,用万用表检测线圈两端的电阻,发现其电阻约为 0.5 Ω,由此可以判定该电磁阀内部电路出现短路故障。
四
故障排除与机理分析
1.故障排除
故障定位后,将粮食库制冷剂导通控制电磁阀拆除,发现电磁阀腐蚀严重,于是更换了新的备件。
然后将控制箱总电源开关和103F2 开关重新合上,使高温冷藏系统启动运行,103F2 开关未出现跳闸,且粮食库和乳品库的温度逐 渐降低至所需温度,说明电磁阀更换后整个系统恢复正常。
2.故障机理
此次粮食库和乳品库高温报警故障,是粮食库制冷剂导通控制电磁阀损坏所致。
故障机理分析如下。
(1)PLC输出模块103D2同时控制粮食库 和乳品库的风机、制冷剂导通电磁阀的工作,当粮食库制冷剂导通电磁阀出现短路时,致使103F2 开关跳闸,从而使粮食库和乳品库内的风机、制冷剂导通电磁阀因控制电源故障而无法工作,而这两个环节无论哪 个出现故障均会使库内的蒸发器无法进行热交换,最终结果是库温逐渐升高、出现报警。
(2)由于高温冷藏系统的制冷剂导通控制 电磁阀均安装在库内,而无论是粮食库还是乳品库或其他库,其内都充满了水汽。
因此,当粮食库制冷剂导通控制电磁阀的防水绝缘出现损坏后,粮食库内潮湿的水汽会进入电磁阀导致线圈逐渐腐蚀,时间一长就会出现短路故障或绝缘低故障。
(3)由于某船出厂时间较长,高温冷藏系统已工作10 年以上,很多元器件如电磁阀存在老化现象,绝缘故障出现的概率明显增加。
五
结束语
本次制冷剂导通控制电磁阀损坏引起的粮食库和乳品库高温报警故障,工作中并不常见,究其原因是电磁阀因绝缘破损出现短路故障所致。
为了避免类似故障的发生,应采取如下措施:
一是定期对电磁阀进行检查维护,这样既可以预防类似故障的发生,更主要是防止因短路故障而损坏PLC模块;
二是加强电磁阀的绝缘防护,条件允许的话可将高温冷藏系统的所有电磁阀安装在库外,这样可以有效避免短路故障发生。
本文原创作者系:
中国卫星海上测控部
蔡鹏飞 杨斌斌 苏先明 唐 然
田列贞 肖 彪 解 强
END
感谢阅读和关注
Thanks for reading and attention
感谢分享朋友圈
或点击“在看”
因为有你,
我们会更努力!
来源:船机帮
电话:025-85511250 / 85511260 / 85511275
传真:025-85567816
邮箱:89655699@qq.com



