| 时间:2021-09-29 | 编辑:E航网 | 阅读:837 | 分享: |
点击蓝字“船机帮”关注我们
船机故障心莫慌,遇事不决船机帮
怎样设置标星?
向左划
☚
因微信改版打乱发布时间,老铁们可能会错过文章更新。
将公众号设置标星,可快速找到我们......
快看看如何操作吧!
第一步:
打开公众号列表,找到要设置的标星的账号点击,打开后点击右上角的头像图标......
第二步:
继续点击右上角的...按钮
第三步:
在弹出的菜单中点击设为星标即可,如果想取消的话可以再次点击...选择取消星标即可。
导读
在船舶行业中,二冲程柴油机一般直接带动螺旋桨旋转,为大型船舶提供主推进动力;四冲程柴油机的应用则比较广泛,可以通过减速齿轮箱带动螺旋桨旋转,也可以与发电机组合为发电机组,以及作为原 动机带动船用大功率生产设备等。
本文结合笔者多年从事船舶修造生产技术管理的实践经验,选取三个有关船舶主机故障的案例,重点介绍故障的排查过程、处理方法和处理效果。
一
滑油消耗量异常故障
1.故障描述
“某轮”于2009年9月20日完成修理后离厂,主机型号为WINCHMANN 10AXAG,额定功率为5000Bhp。
完成第一个航次后,统计发现主机的单日滑油消耗比正常多出20L。
发现此情况后,业主告知厂方并要求厂方派出技术人员协助处理解决。
2. 故障分析与排查
该主机曲轴箱为干式,滑油由主机循环油柜经主机滑油泵、滤器至主机各运动部件及板式滑油冷却器形成闭式循环;气缸油由滑油柜通过油泵至缸套注油器,经过活塞刮油环刮至油底壳内。
正常情况下,滑油循环油柜的油位会随使用而缓慢增加,但是经过多次测量检查发现,滑油循环油柜的油位持续在减少,说明柴油机的滑油消耗异常。
通过翻阅该主机维护保养说明书,主机滑油消耗大主要有几个原因引起的。
① 滑油系统外漏;
② 滑油的燃烧;
③ 滑油泄露至海水;
④ 滑油泄露至污油回收柜。
根据说明书所提供的思路,对各系统进行排查,查找出滑油消耗大的真正原因。
1)跟踪检查所有滑油系统机外管路,未发现任何外漏现象。
2)该轮在厂修理期间,所有活塞环均已更换。
现场拆除每缸上的排烟管封板并盘车检查,活塞环安装正确。
通过观察主机燃烧时的排烟烟色,发现烟色很好,并无蓝色的迹象。
3)从舷侧冷却海水出海管观察,并未发现有油迹。
为进一步确认,拆开滑油冷却器的进出口管路,并现场进行水压试验,未发现任何泄露。
4)在完成上述检查后,经过较长时间的测量对比,发现污油柜的油位增加量与多消耗的滑油数量成正比。
现场拆开滑油至污油柜总管路的支管,发现该支管持续有滑油漏出。
通过跟踪管路,不断排查,最终发现滑油是由主机高压油泵油管漏出。
3.故障排除
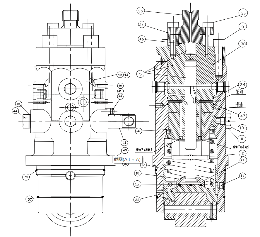
图1 高压油泵结构图
通过分析图1的高压油泵结构图,发现若胶圈24没装或有缺陷,则滑油会窜至泄漏管流至污油柜,从而导致系统滑油损耗大,造成污油柜油位上涨。
启动滑油机外循环泵,并拆开10只高压油泵的空心螺丝,发现空心螺丝滑油检漏口有成线滑油漏出,证明虽然有安装胶圈但是胶圈存在缺陷。
现场拆解10个高压油泵,发现胶圈24均剪边;重新换新原厂备件之后再次开泵试验,检漏口泄露消除,启动主机后亦未发生泄 露。
故障得以消除。
4.故障总结
对于燃用重质燃料油的柴油机,由于燃油粒度及黏度大,不足以润滑高压油泵柱塞和套筒偶件,于是需引入系统滑油进行润滑,此类设计结构在Wartsila的系列产品中也多有使用。
一般在遇到滑油消耗异常的情况时,很多技术人员可能根本就没有考虑到还有滑油润滑高压油泵这一路。
因此,对于机械设备的维护和修理,必须在吃透原理的基础上做好细节的控制,哪怕是一条看似不起眼的胶圈,在选用不当或者安装存在缺陷的时候,都可能会造成意想不到的故障出现。
二
主机单缸敲缸故障
1.故障描述
“某轮”于2007年3月进厂修理,主机型号为 B&W 6S50MC,额定转速为127r/min,额定功率为11640Bhp。
该轮进厂前,No.5缸在(主机)运转时就 存在持续的强烈敲击声。
此作为一个工程交厂修理。
2.故障分析
柴油机敲缸对于柴油机的管理和维护人员来说并不陌生,属于一种比较常见的现象,通常将柴油机敲缸分为机械敲缸和燃烧敲缸两种类型。
造成机械敲缸的主要原因是各运动配合部件的间隙过大而引起,而燃烧敲缸主要是与燃烧有关的因素所引起。
对于柴油机敲缸的故障诊断和排除,由于造成柴油机敲缸的成因很多,实际诊断和排查要根据实际情况灵活运用。
由于进厂修理前主机No.5缸已经存在严重的敲缸现象,在对该缸吊缸检修的过程中,已经重点对活塞、连杆以及各轴承进行了测量和监控,并拆检了整个排气阀总成。
在整个修理过程中并未发现有异常的情况,装复后在码头进行了系泊试验。
在经历两次系泊试验后,No.5缸仍然存在强烈的敲击声,但未能判断出敲击声的来源。
进行第三次系泊试验时,切断No.5缸的燃油供给,发现强烈的敲击声仍然存在,说明此 敲缸现象属于机械敲缸。
通过使用螺丝刀闻声检查并根据发声的规律,最终判断出敲击声为排气阀关闭时产生。
同时测量各缸排气阀的行程时发现,存在敲击声的No.5缸比其他缸少了20mm,说明No.5缸的排气阀开度行程异常。
该机型的排气阀工作原理是:
采用液压活塞与气动活塞共同平衡控制的方式来实现排气阀的开启和关闭。
气动活塞安装在排气阀杆的上端,在主机停车的状态下,排气阀关闭空气作用在气动活塞上,用来保证排气阀关闭。
而排气阀的开启是通过液压活塞来实现。
由凸轮轴驱动的排气阀液压驱动泵所产生的油压作用在液压活塞上,从而打开排气阀,同时压缩气动活塞下面的空气,形成一个“空气弹簧”,并积蓄能量为排气阀的关闭做好准备。
从该主机的维护保养说明书得知,若液压驱动泵的节流调节针阀开度太大,会造成排气阀关闭时产生 敲击声。
根据这样的思路,拆检No.5液压驱动泵的调节针阀,情况正常,装复后敲击声未消除;将此阀全开和全关后观察,敲击声未发生明显改变。
随后将 No.5缸的调节针阀与No.6缸调换,敲击声仍然未发生改变。
由此判断出敲击声并非该针阀所引起。
至此,开始怀疑造成液压活塞行程不够的原因可能是液压驱动泵的供给油压不够或者油量不够所引起。
将No.5缸液压驱动泵连同高压油管一起与No.6缸互换,再次试验,敲击声仍然未消除。
接着先后更换2台备件驱动油泵总成于No.6缸,No.6缸的敲击声未消除。
因此,根据整个排查过程,随着驱动油泵及高压油管从No.5缸转移到No.6缸,敲击声也随之转移,同时仅更换新驱动油泵备件敲击声未消除,此时最大的疑点就落在了高压油管上。
3.故障排除
该排气阀关闭液压活塞的驱动油管结构如图2所示,采用内套两层高压管的形式。
图2 驱动油管结构示意图
最里面为高压油路,套管中间是回油管路,外层包裹钢网保护层。
若内外套管之间的内裂、内漏,无法通过观察判断;而内漏所产生的回油则直接回到驱动油泵内。
将No.5、No.6缸驱动油泵的高压油管互换,结果有敲击声的No.6缸转移到了No.5缸。
替换上备用高压油管后,No.5的排气阀敲击响声消失。
至此,故障得以排除。
4.故障总结
排气阀关闭液压活塞的驱动油管内漏,造成排气阀开启的供油压力和供油量不足,反映在排气阀上为开度不够。
同时也造成了排气阀在关闭时的液压背压相比正常偏低,从而造成No.5缸排气阀在关闭时的推力偏大,排气阀对排气阀座的冲击力也大了很多,最终造成该缸强烈的敲击声。
此类排气阀驱动结构的设计在很多型号的柴油机上都广泛使用,因排气阀驱动高压油管内漏所造成的强烈敲击现象,在柴油机说明书中并无描述,在我厂的修理历史中也尚属首次,此次故障的排除经验为以后的类似检修提供了很好的借鉴意义。
三
主机滑油低压故障
1.故障描述
某挖泥船2011年4月进厂修理。
两台主机通过变速箱及离合器可分别驱动艉轴和泥泵。
该主机型号为SKL 8VD29/24 AL-2,额定转速1000r/min,额定功率1800kW。
此次进厂的主要修理项目为两台主机的常规吊缸维护保养。
在完成拆检进行试验的阶段,右主机在正常完成空车磨合试验进入负荷试验时,出现了滑油压力不断下降直至低于报警设定压力的故障现象。
2.故障分析
从图纸和现场比对来看,该柴油机滑油系统为机带泵和机外备用滑油泵各自独立吸口,出口经过一个三通逻辑选择阀(该阀集成一个调压阀)之后输送给滑油自清滤器,通过滤器后输送至主机。
柴油机运行过程中滑油压力异常属于比较普遍的问题,一般来讲,造成滑油压力异常的原因有几个方面:
① 压力表或传感器失准;
② 滑油系统管路严重外漏;
③ 调压阀内漏或调整不当;
④ 滑油泵工作失常;
⑤ 滑油系统滤器堵塞;
⑥ 各配合轴承位间隙过大;
⑦ 滑油油量不足或黏度太低。
考虑到此故障现象是在负荷试验时才出现,空车磨合数小时并未发现此类问题,故暂不考虑⑥、⑦的 可能性。
在更换了相关压力表并跟踪检查所有滑油系 统机外管路后,开启机外备用滑油泵进行试验,发现滑油泵出口压力为8 kg/ cm²,而柴油机进机滑油总管压力仅有2 kg/ cm²,因而排除①、②、④的可能性。
尝试调整集成于三通逻辑选择阀上的调压阀,进机滑油总管压力无变化。
为进一步确定问题的根源,对整个三通逻辑选择阀进行拆检,在装复调压阀时不装高压油路的卸油管,再次开泵试验,发现柴油机进机滑油总管压力无改善,且调压阀的高压油路的卸油管并无油卸出,故排除③的可能性。
因此,最终把焦点转移至⑤——即滑油自清滤器上。
3.故障排除
该主机使用阿法拉伐公司生产的滑油自清滤器。
图3 自清滤器内部部件简图
图4 自清滤器结构简图
如图3和图4所示,过滤分两部分,第一部分(20组滤板)为过滤去主机的滑油,第二部分(4组滤板) 为过滤用于冲洗第一部分滤器的反冲油,且在端部安装一个单活塞式由滑油驱动的油马达带动配油轴旋转,从而达到过滤部分的转换和过滤区块的循环。
通过第二部分反冲后的杂质通过放残阀定期放至污油舱内。
通过启动机外备用滑油泵进行试验,发现滑油自清滤器进出口压差已超出自带压差计的量程范围。
为进一步确认滑油经过该自清滤器前后的状态,在滤器进、出口总管上各安装压力表一块,再次试验发现进口总管压力为784kPa,而出口压力仅为2kg/ cm²(196kPa),与之前的试验现象相吻合。
至此,故障原因锁定在自清滤器对滑油造成的阻力导致的压降。
从该滤器的结构和原理上分析,能够造成滤器堵塞的原因有两个:
一个是第一部分过滤主滑油的滤板脏堵;
另一个是配油轴套与滤板安装错位,导致油孔堵塞。
对自清滤器进行解体后发现,滤器内含有大量絮状含油污物。
两部分的滤板尺寸不同,每组分为2 片且有定位,并且滤板与配油轴套的相对位置无法改变。
在现场用柴油对24组滤板进行清洁后进行组装,并观察滤板与配油轴套的相对位置,虽然有少许错位但不至于造成滑油如此大的压降。
装复后再次试验,发现进机压力提高到294kPa,但在运转一段时间之后压力又跌至196kPa。
再次拆解自清滤器,并未发现滤板上附着明显污物,在向船方了解情况之后得知,船方从未按照说明书要求定期对滤板进行化学清洗。
仔细观察主滑油过滤的滤板,发现该滤板的滤网为两层,对光进行观察发现双层滤网间存在透明蜡状物,此次修理船方更换了滑油,于是怀疑由于新油在带负荷运转下温度升高,分子较小的石蜡经过了滤网在两层滤网间逐渐形成石蜡层,导致该石蜡层对滑油的流通形成了阻碍。
最终决定将所有滤板送车间进行化学清洗后再重新组装进行试验。
完成化学清洗后装船开泵试验,进机压力提高到588kPa,并且长时间运转保持稳定,后续的负荷试验也顺利完成。
4.故障总结
自清滤器配合柴油机的应用越来越广泛,与常规滤器相比具有保养频率低、过滤性好、流通压力损失小等优点。
但同时由于结构复杂,滤板不便于更换,常规现场清洗可能无法达到效果等缺点,会对柴油机的运转带来安全隐患。
因此在维护和修理过程中,要摒弃习惯性思维,在吃透原理的基础上有针对性的进行处理。
本文原创作者系:
中海工业(广州)有限公司 谭汝豪
END
怎样搜索往期文章?
向左划
☚
老铁们在翻阅往期文章时费时费力,其实有简便方法的,此方法也适用于其它公众号。
快看看如何操作吧!
打开公众号列表,找到相应的账号点击,打开后点击右上角的头像图标......
第二步:
点击右上角那个放大镜按钮。
您会看到“船机帮推荐搜索”关键字,最顶端有自定义搜索窗口,比如搜索“瓦锡兰”,就会出现所有相关文章......
来源:船机帮
电话:025-85511250 / 85511260 / 85511275
传真:025-85567816
邮箱:89655699@qq.com



