| 时间:2021-11-23 | 编辑:E航网 | 阅读:791 | 分享: |
点击蓝字“船机帮”关注我们
船机故障心莫慌,遇事不决船机帮
怎样设置标星?
向左划
☚
因微信改版打乱发布时间,老铁们可能会错过文章更新。
将公众号设置标星,可快速找到我们......
快看看如何操作吧!
第一步:
打开公众号列表,找到要设置的标星的账号点击,打开后点击右上角的头像图标......
第二步:
继续点击右上角的...按钮
第三步:
在弹出的菜单中点击设为星标即可,如果想取消的话可以再次点击...选择取消星标即可。
导读
随着航运业的发展,节能减排柴油机的需求量逐年攀升,新型共轨柴油机的使用更加广泛。
瓦锡兰8RT-flex68T-B型柴油机是一款新型共轨柴油机,其在节约能源、减少排放、使用寿命、可靠性、机动性等方面有较大改善。
该机型取消传动机构、凸轮轴、高压油泵等相关设备,其燃油喷射、排气阀的开关及气缸注油等均采用电子控制。
WECS9520控制系统通过FCM-20模块对每个缸的燃油喷射控制单元 (Injection Control Unit,ICU)进行独立的全电子控制,其更是瓦锡兰共轨柴油机的控制核心 J。
ICU的管理直接影响船舶柴油机的工作性能。
一
故障描述
某船主机采用瓦锡兰8RT-flex68T-B型柴油 机。
2015年2月初,轮机员发现主机系统滑油出现压力偏低、黏度下降的现象,同时测得主机滑油液位长时间保持不变,甚至有所增加。
由于更换滑油时间较短,滑油应处于较好的状态。
为保证主机润滑效果,轮机员进行以下操作:
检查滑油温度是否在正常工作范围内;
清洗主机滑油滤器;
检查滑油分油机的工作状况,清洗分离盘,相应减少2台主机滑油分油机的流量。
此外,提取滑油检查其黏度、颜色,发现滑油有变质的迹象,且变质是缓慢、持续进行的。
二
故障原因
1.引起主机滑油变质的原因
(1)滑油中混入水。
滑油中混人海水或者淡水后会使滑油乳化变质,阻碍滑油油膜的形成,同时会对其润滑 的设备产生腐蚀危害。
查看主机滑油发现并非是滑油乳化,且缸套冷却水、滑油加热器以及相关管路未发现冷却水进入滑油系统。
故排除滑油被冷却水污染的原因。
(2)滑油中混入燃油。
经过进一步的检查,发现主机滑油黏度偏低 ,打开道门油底壳中有燃油油气的味道,确认有燃油混入滑油系统中。
燃油可能是通过填料函位置进入滑油系统的,但是燃油通过填料函进入曲轴箱须同时满足燃烧不良、活塞环密封不良、填料函密封不良等条件,经检查发现各气缸活塞环良好,填料函状况良好,未发现其他地方存在燃油泄漏。
2.确定故障原因
瓦锡兰8RT-flex68T-B型柴油机 WECS9520控制系统可实现对燃油的最优化喷射控制。
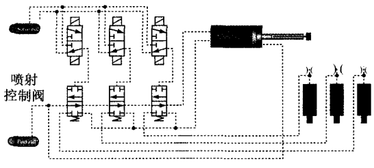
ICU工作原理见图 1。
图 1 ICU工作原理
燃油共轨管中的压力高达100MPa,伺服油管路中的压力为20MPa。
当共轨阀打开后,伺服油推动喷射控制阀动作,此时压力100MPa的燃油从共轨管路进入燃油量活塞内部推动活塞向左侧运动,当燃油量活塞左侧的燃油被压缩到喷油器的启 阀压力时,开始喷油。
主机负荷较高时,单缸内所有喷油器都正常工作,但是当主机负荷降低到一定程度时,其中1个或2个共轨阀会停止工作,与其对应的喷油器也停止喷油 (多段喷射)。
图 2 喷油器工作数量随主机负荷的变化
喷油器的工作数量随主机负荷的变化而变化 (见图2),这样就使主机在低负荷时的雾化效果得到改善,同时减少燃油量,达到节能减排的目的。
通过 FlexView软件初次检查发现各缸参数均在说明书要求范围内。
可是经过长时间的观察发现,主机No.4缸在高负荷时无异常,但在低负荷时会出现时而爆压偏低、共轨压力波动、伺服油压上升,时而恢复正常的现象。
对ICU全面检查后发现该机型的ICU上存在 1个燃油与滑油间接接触点,见图1中的燃油喷射控制阀。
判断应该是 No.4缸ICU中的1个燃油喷射控制阀泄漏导致压力100MPa的燃油进入压力 20MPa的伺服油中,并通过回油管路流 回到柴油机的油底壳中。
由于分油机很难从滑油中把燃油彻底清除,导致滑油变质,且泄漏较为缓慢,所以滑油的变质是缓慢进行的。
另外,将检验过的滑油与说明书中的极限值(见表1)对比发现,被污染的滑油的黏度值低于表1中的极限值140mm/s,且闪点也比规定的极限值200℃低。
综合上述现象最终确定滑油中混入燃油,而燃油正是从 ICU中的喷射控制阀进入滑油的。
三
处理措施
由于轮机员对瓦锡兰8RT-flex68T-B型柴油机较为生疏,且ICU为精密部件,厂商要求不得私自解体,因此船舶到港后对主机的 No.4缸ICU进行更换。
维护工程师得出的故障原因与轮机员分析 的一致,说明故障分析思路正确。
虽然该机型的设备可靠性较高,但为避免故障再次发生,维护工程师建议再仔细检查一下燃油共轨和伺服油共轨系统。
当检查ICU上的伺服油滤器时发现No.4缸 的滤器破损,且破损的细小碎片缺失,猜测该碎片随伺服油进入ICU,对燃油喷射控制阀产生磨粒磨损,导致磨损事故进一步扩大。
于是重新更换滤器,并对其他缸进行检查,最终故障得以解决。
四
及时发现故障应采取的措施
瓦锡兰8RT-flex68T-B型柴油机为单缸独立ICU控制,每个ICU中存在3个共轨阀、3个喷射控制阀对应3个燃油喷射器,该故障是由3个喷射控制阀的其中1个磨损导致的。
(1)轮机员在寻找故障原因的过程中应长时间关注FlexView中参数的变化,当主机高负荷时有3个喷射控制阀工作,对排温、爆压影响不大,而低负荷时是1个喷射控制阀工作,此时会不明显地表现出排温低、爆压偏低、共轨压力波动等现象。
只有当1个磨损严重的喷射控制阀工作时才会在FlexView 中出现该故障。
(2)轮机员应注意共轨压力波动的变化。
燃油喷射控制阀的泄漏发生在共轨电磁阀打开时伺服油推动其工作的过程中,而此时恰好是燃油喷射过程共轨管中压力存在波动,常被认为是正常的喷油器喷油导致共轨压力波动,所以压力波动的变化很容易被忽略。
(3)轮机员在工作中应熟悉新型共轨柴油机的 结构及其工作原理,尤其是ICU等。
应熟练应用FlexView查找故障,注意共轨参数的变化,尤其是共轨压力、温度及各缸内部参数的变化,以及报警监控系统发出的警报等。
五
故障的预防与反思
(1)注意伺服油滤器前后压差,保证伺服油的清洁,定期清洗伺服油滤器,一般每半年清洗1次。
(2)尽量调小滑油分油机的分离量,并定期清洗、检查其分离效果。
(3)定期检查共轨阀的接线,避免和油、水等液体接触,防止电磁阀损坏导致ICU发生故障。
(4)注意滑油的黏度、颜色 、温度等变化,定期送检化验。
(5)共轨燃油的温度须保持在要求范围内,共轨管的伴温加热须保持良好,防止伴温不好 导致油温变化出现热胀冷缩现象。
(6)轮机员应熟练使用FlexView查找故障。
六
结束语
该故障解决比较艰难,耗费较多精力,这主要是因为轮机员不太了解这种新型柴油机的工作原理,未按照共轨柴油机的思路去解决问题,最终在解决故障的过程中,走较多弯路。
所以,轮机员应该加强此类知识的学习,适应航运发展要求,为航运安全作出努力。
本文原创作者系:
浙江国际海运职业技术学院
杨加力 于敬来
图片来源于:
大连远洋运输公司《船舶轮机新技术——共轨技术在船上的应用》——轮机长 郑连国
END
怎样搜索往期文章?
向左划
☚
老铁们在翻阅往期文章时费时费力,其实有简便方法的,此方法也适用于其它公众号。
快看看如何操作吧!
打开公众号列表,找到相应的账号点击,打开后点击右上角的头像图标......
第二步:
点击右上角那个放大镜按钮。
您会看到“船机帮推荐搜索”关键字,最顶端有自定义搜索窗口,比如搜索“瓦锡兰”,就会出现所有相关文章......
来源:船机帮
电话:025-85511250 / 85511260 / 85511275
传真:025-85567816
邮箱:89655699@qq.com



