| 时间:2022-01-30 | 编辑:E航网 | 阅读:2601 | 分享: |
点击蓝字“船机帮”关注我们
船机故障心莫慌,遇事不决船机帮
导读
在工程船舶中,推进系统一般采用柴油机作为原动机,柴油机直接驱动船舶推进器推动船舶航行,其推进系统由柴油机、减速器和推进器组成。
柴油机的主轴与推进器轴是直接连接在一起的,存在轴系占用空间大、振动噪声强的问题。
特别是当船舶负载发生较大变化时,柴油机不能迅速跟随变化,造成柴油机运行工况差、耗油量高等问题。
船舶柴油机推进系统
一
船舶电力推进系统
传统的船舶推进采用的是柴油机通过齿轮箱驱动螺旋桨的方法,这种方法有轴系布置困难、驱动性能较差、人工操作要求高和噪声较大等缺点。
近年来,随着电力电子技术和自动控制技术的发展,全电力推进系统成为了可能,也逐渐得到广大海洋工程领域的学者和科技工作者的重视。
船舶电力推进就是采用原动机驱动发电机发电,电能经过变换后供给电动机,由电动机驱动螺旋桨来推进船舶航行的一种推进方式。
由于采用电力推进装置的船舶比采用传统机械推进方式的船舶在机动性、可靠性以及经济性等方面具有明显的优势,其在近代船舶的生产制造中得到越来越广泛的应用。
从电气的概念划分,电力推进可分为直流电力推进和交流电力推进 2 大类。
船舶电力推进装置的主要组成部分包括螺旋桨、电动机、供电装置(发电机、蓄电池)、原动机及其控制调节装置,如图1所示。
图 1 船舶电推系统基本结构
二
直流组网技术
1.直流组网技术的优势
如果采用柴油机驱动同步发电机发电,产生的恒频、恒压交流电通过交流配电盘进行交流组网,组网后的交流电再经过交-直-交变频器后,驱动船舶推进电动机带动船舶推进器推动船舶航行,即交流组网电力推进系统。
这种系统相比柴油机直接驱动推进器的方式节省了船舶轴系的布置空间,提高了船舶电气驱动响应速度和可操控性。
但是,当船舶负载发生变化时,由于同步发电机具有输出恒频、恒压交流电的特点,只能通过切断或增加同步发电机组的方式来适应负载功率的变化,由于这种切换方式是非线性的,会使柴油机不能运行在最佳功率效率点上,存在燃油消耗高的问题。
此外,交流组网电推系统的交流电配电盘两侧的控制系统是单独设计控制的,存在柴油发电机组的控制与推动系统的控制割裂、整套系统的集成性较差、设备占地空间大、设备价格高等缺点。
当采用直流组网技术配套交流异步发电机组成的电力推进系统时,柴油发电机组可以采用变速运行模式,即根据负载功率变化,柴油发电机组选用变转速模式运行,在不同的船舶运行工况中将采用能满足运行功率需求的最小数量的有效运行机组,通过柴油机变转速运行可以确保船舶运行始终处于高效区域内。
此外,由于采用了直流组网方式和异步发电机,去除了变压器、推进配电板中的并车装置等,将部分配电板的交流开关与变频器有效集成,减少了采用设备的数量、占地面积和重量。
直流组网系统还具有以下显著优势:
1)直流组网系统中的柴油发电机组可以根据不同的负载条件调整转速,以保证系统工作在最优的能耗曲线上,这样可以提升整体系统的效率,降低能耗和排放,相比传统的交流系统组网技术,一般认为直流组网系统整体效率可提升20%左右;
2)降低了柴油发电机组的维护成本,延长了柴油发电机组的寿命;
3)由于省去了配电板和部分变压器,整套系统的体积和重量都大大减小,相比传统的交流系统组网技术,一般认为可减小30%左右;
4)直流母排和各种储能设备(例如电池组和超级电容等)具有天生的兼容性,如果采用储能设备,可以更好地实现特殊工况下的低噪声操作,并可实现进一步的节能。
2.直流组网电推系统介绍
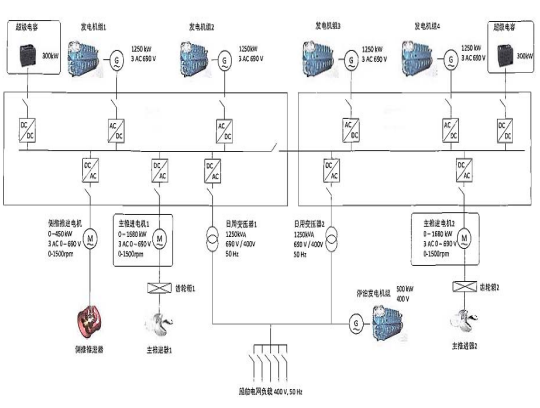
整套系统配置4台1250kW发电机组,发电机组经过集中式直流母线变频控制配电系统在直流母线进行并网,并且通过直流母线变频控制配电系统起动2台1680kW主推电机和1台450kW侧推电机。
直流母线变频控制配电系统将提供 2 个互为冗余的1250kVA日用电源,为船舶日用负载提供高品质的日用交流电源。
直流母线变频控制配电系统左右舷各通过一个斩波柜连接一组300kW、12s的超级电容。
当柴油机发电机组发生故障或负载突然增加时,超级电容柜会放电,为直流母线提供能量,该功能可提高系统的冗余性和可靠性。
特别是当发电机组突然发生故障时,超级电容柜会瞬间起动,保证船舶电站的正常运行。
当柴油发电机组在运行,并且负载率较低时,直流母线变频控制配电系统会对超级电容进行充电储能。
整套系统的机构图见图2。
图 2 直流组网电推系统结构图
3.直流组网技术
整套电力推进系统针对目标应用,采用技术上更为领先的直流组网方式,与传统的交流组网方案相比,直流组网方式将交流变频器中的交-直-交变化拆分,将所有设备的组网侧从原有的发电机交流侧转移到直流侧,但其发电设备和负载仍采用交流模式。
由于采用了直流组网模式,整个直流组网技术方案的核心特点在于以下几点。
1)高效的变速运行:
在不同运行工况和不同负载条件下,选用变化的柴油机运行转速,以确保船舶运行始终处于高效区域;在不同的船舶运行工况下,将采用能够满足运行功率需求的最小数量的有效运行机组。
2)高设备集成度:
由于采用了直流组网方式和异步发电机,去除了变压器、推进配电板中的并车装置,将部分配电板的交流开关与变频器有效集成,减少了采用设备数量、占地面积和重量。
3)高可靠性:
系统设计了超级电容作为储能设备,当柴油机组出现故障或负载突然增加时,超级电容作为储能元件开始放电;整个直流母线设计为两段,两段直流电网可以长期单独运行也可以长期并联运行,保证了系统拥有50%的冗余度,使整船可以可靠运行。
4.系统故障选择性
与交流组网系统类似,整套直流组网系统可以提供足够的故障选择性,具体在以下3个方面予以保证。
1)系统在所有交流设备(含发电机、电动机)和线缆短路等情况下,通过变频器的快速保护以及交流断路器的隔离对故障给予快速切除,并且不影响整体系统中其他非故障回路的正常运行。
2)在船舶日用负载发生短路的情况下,系统需要提供日用电源的短路电流支撑能力,该电流将持续足够的时间,保证能够选择性触发日用负载回路中的断路器和熔断器,满足船舶电气的故障选择性要求。
3)在直流母线变频控制配电系统中的变频器发生故障的情况下,故障通过变频器与直流母线相连接的超快速熔断器予以切除。
某型船舶电推系统架构
三
直流母线变频控制配电系统
整套直流母线变频控制配电系统根据柴油机组、推进电机和船舶电源负载的需求设计确定,系统的结构设计和实现采用标准船用开关柜结构,从而达到可靠性、安全性、可维护性的最大化。
机柜采用前维护结构,设备的底座将直接安装在船体结构上。
1.发电机组侧控制
如图2所示,发电机侧的变频器采用IGBT全桥结构,为了故障隔离考虑,每一路连接发电机、电动机、变压器等设备的功率主电路都包含一个断路器。
电动机侧以及船舶电网的变频器同样采用 IGBT 全桥结构。
发电机侧变频器在收到起动指令后,提供柴油机机旁箱远程起动指令,当柴油机达到一定转速时,交流断路器自动闭合,变频器开始对异步发电机定子绕组进行励磁,当异步发电机励磁建立后,由变频器控制本路发电机组并网,并且和在网其他发电机组通过变频器参数设置进行有功功率分配(由于采用直流母线系统,因此不存在无功功率分配的问题)。
系统采用变速发电机组,当柴油机被控制在不同的转速时,依靠变频器对输出电压进行调节,维持直流母线电压。
2台不同转速的发电机组并车时,有功功率分配应按不同转速下额定功率之比分配,误差范围按相关船级社要求执行。
2.驱动电动机控制
电动机侧变频器在收到起动指令后,交流断路器自动闭合,变频器对异步电动机定子绕组进行励磁,当异步电动机励磁建立后,开始输出有功电流,从而使得异步电动机通过齿轮箱驱动螺旋桨推动船舶航行。
3.日用电源和停泊发电机组控制
日用电源侧变频器在收到起动指令后,交流断路器自动闭合,变频器开始对变压器进行预充电磁,最后达到稳定的400V/50Hz 输出,此时将日用配电主断路器合闸,完成对日用配电板的供电。
船舶日用电源可以和停泊发电机组实现负载的平滑切换,日用配电板通过并车屏检测到两端电压、频率、相位一致后,将日用电源和停泊机组的主断路器都闭合,此时日用电源和停泊机组短时并联运行,进行负载转移,船舶负载由船舶电源逐渐转移到停泊机组,或由停泊机组逐渐转移至日用电源,当负载转移满足要求之后,断开被转移侧主断路器,完成负载的平滑切换。
4. 冷起动
当进行船舶冷起动时,首先应气动起动柴油发电机组,发电机驱动机带励磁绕组进行发电,完成对直流母线的预充电,当直流母线电压建立后,由变频器对异步发电机组进行励磁,当异步发电机建立励磁后开始发电,完成船舶冷起动。
5.系统功能
直流母线变频控制配电系统可以实现以下控制功能:
1)主推进电机的起动及速度控制功能;
2)主推进电机的转矩输出和控制;
3)发电机组侧可控IGBT整流的功率控制和功率分配功能;
4)直流母线电压控制功能;
5)日用变压器侧船舶电源负载的工频电压和频率输出功能;
6)功率限制功能,即根据PMS对发电机组侧的检测和判断,实现基于直流母线的功率限制,在发电机侧容量不足的情况下限制推进功率,尤其在发电机组故障时,迅速降低并限制推进输出功率;
7)紧急停车功能;
8)防冷凝加热功能,可根据运行情况起动防冷凝加热器,从而防止系统中凝露情况的 产生。
四
控制系统设计
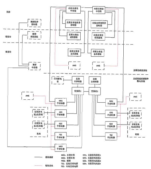
1.控制系统网络架构
控制系统网络采用工业以太网等工业现场总线构建,如图 3 所示。
图 3 控制系统网络架构图
2.控制系统描述
(1) PMS系统
在直流母线变频控制配电系统运行时,所有柜体通过一个公共的直流母线进行连接,通过PMS来管理发电、推进和船舶日用电源之间能量的转换。
PMS保证柴油发电机组发出的功率会自动根据主推、侧推和船舶日用电源的需求而自适应调整。
(2)PCS 系统
PCS负责接收遥控系统的操作指令,增加指令分配及控制保护等功能后,通过变频器驱动主推荐电机和侧推进电机,从而完成电力推进系统的转速和转矩等控制。
(3)人机界面
直流母线变频控制系统设置2个触摸屏作为人机界面,左右舷各有1个。
从触摸屏上可以观察到整套系统的运行情况,也可以分别详细观察左右舷甚至每个设备的运行情况。
触摸屏安装在直流母线变频控制配电系统的控制柜门上。
3.控制系统功能
(1)PMS功能
PMS具有3种运行模式,分别是“自动模式”、 “半自动模式”和“手动模式”。
可以根据实际工况,在自动模式下实现发电机组的起动、停止、并/脱网和转速控制。
除具有以上功能外,PMS 还有具有船舶电站利用率测量、推进设备功率限制、非重要负载切除、设备温度监测、负载情况监测、变频器状态监测、过流监测、控制器状态监测和现场总线状态监测等功能。
(2) PCS功能
直流母线变频控制配电系统接收驾控台的操作指令,驱动变频器以完成电力推进系统的转速和转矩等控制,除此之外,PCS 系统还包括:
1)巡航模式功能;
2)功率限制保护功能。
(3)推进电机控制模式
控制系统可以实现速度控制或转矩控制。
速度控制功能:
推进控制系统提供给直流母线变频控制配电系统速度参考信号,从而实现推进电机的转速控制、实现更快速的调试性能。
转矩控制功能:
推进控制系统提供给直流母线变频控制配电系统转矩参考信号,从而实现推进电机的转矩控制、实现更稳定的螺旋桨推力输出控制。
(4) 功率限制功能
在以下情况下,推进控制系统将执行对推进设备的功率限制。
1)推进功率超出现有船舶发电功率:
由于PCS和PMS都集成在控制系统中,所以可以很便捷地检测发电的总功率和消耗的总功率,当推进功率超出现有发电能力,将暂时限制推进设备的功率输出,直到PMS调整现有发电机的台数和转速,增加现有发电功率能力后再释放其他推进功率限制。
2)推进设备报警:
当推进设备(推进变频模块、推进电机、推进器、推进轴系)给出过热等报警信号时,将限制推进功率,从而保护推进设备。
3)直流母线电压过低:
当直流母线电压明显过低时,证明瞬时条件下,发电机组功率无法提供推进功率(可能是发电机组故障灯原因),此时推进控制器将迅速限制推进功率,从而保护全船电网。
(5)保护与检测功能
推进控制系统将检测推进设备(直流母线变频控制配电系统、电动机、推进器)的状态,并且通过限制功率、连锁等手段,实现系统的保护功能。
同时,推进控制系统将与船舶监控报警系统实现通信,将设备状态传递至船舶监控报警系统。
4.主机推进系统
主推进遥控系统提供了人机界面接口,供船员对船舶进行操作。
(1)主推进系统组成
1)主推进遥控面板
在驾控室的驾控台上安装了1套主推进遥控面板,船员可以在驾控室对船舶的主推进电动机进行操作,主推进遥控面板会将控制指令传输给主推进中央控制箱,并通过主推进中央控制箱传输给直流母线变频控制配电系统。
2)左右翼简易主推进控制面板
安装于驾控室两侧,船员可以在驾控室的左右翼对船舶的主推进电动机进行操作。
简易主推进控制面板会将控制指令传输给主推进中央控制箱,并通过主推进中央控制箱传输给直流母线变频控制配电系统。
3)主推进显示面板
船员可在集控室观察主推进电动机的运行状态,推进显示面板和主推进中央控制箱连接,并通过主推 进中央控制箱从直流母线变频控制配电系统获得主推进系统的信息。
4)主推进机旁控制箱
船员可以通过机旁控制箱对主推进电动机进行操作。
机旁控制箱会将控制指令传输给主推进中央控制箱,并通过主推进中央控制箱传输给直流母线变频控制配电系统。
5)主推进中央控制箱
连接主推进遥控面板、主推进显示面板、主推进机旁控制箱和主流母线变频控制配电系统,实现信息的交互。
(2)主推进系统功能
主推进系统功能包括:
1)试灯调光;
2)控制位置切换和显示;
3)电机起/停、换向控制;
4)控制模式切换;
5)电机安全功能;
6)电机备车请求和备车完毕信号。
五
结论
通过与交流组网的对比,文章分析了直流母线组网技术的优势,介绍了一种异步发电机加直流母线组网技术的船舶电力推进系统的设计方案,详细介绍了直流母线变频控制系统的组成架构、设备配置和控制功能的实现,结合了异步发电机和直流母线组网技术的优点,提出了一种更为先进和高效的船舶电推系统设计新方案,值得借鉴和推广使用。
本文原创作者系:
陕西柴油机重工有限公司
焦联国,白济东
END
来源:船机帮
电话:025-85511250 / 85511260 / 85511275
传真:025-85567816
邮箱:89655699@qq.com



