| 时间:2022-02-22 | 编辑:E航网 | 阅读:1390 | 分享: |
点击蓝字“船机帮”关注我们
船机故障心莫慌,遇事不决船机帮
导读
主机遥控系统是一种在船舶驾驶室或者集中控制窒对船舶进行操控的一种方式,它主要由遥控操纵台、遥控装置、测速装置、安全保护装置、遥控执行机构与主机操纵系统这五个部分组成。
船舶主机遥控系统的使用改善了船舶的操作系统,提高了主机系统运行的稳定性,大大减少了船员的失误性操作,提高了船舶行驶的安全性,减轻了船舶工作人员的劳动强度。
现代船舶采用的是机舱自动化系统,它最主要的组成部分就是主机遥控系统,这个系统是现代船舶正常运行的重要设备。
船舶的主机遥控系统,有着较为复杂的结构,船舶在长时间的使用过程中,会出现较多的故障问题,故障问题给船舶的正常工作带来了很多的不便,因此要针对这些故障问题,及时查找原因,进行维修,尽早恢复船舶的运行,提高船舶的工作效率。
能够顺利的解决船舶故障的首要条件是准确定位故障地点,找出故障发生的原因。
船舶主机遥控系统装置较为复杂,所以很多的因素都有可能导致主机系统发生故障,需要船舶工作人员很好的掌握主机遥控系统的各个部分的构造,针对常见的故障问题,建立应对机制,这样才能在船舶出现故障时有效地查找出故障的地点,及时找到解决故障的方法。
一
主机遥控系统的组成部分
船舶的主机是遥控系统,它主要由遥控操纵台、遥控装置、测速装置、安全保护装置、遥控执行机构与主机操纵系统这五个部分组成。
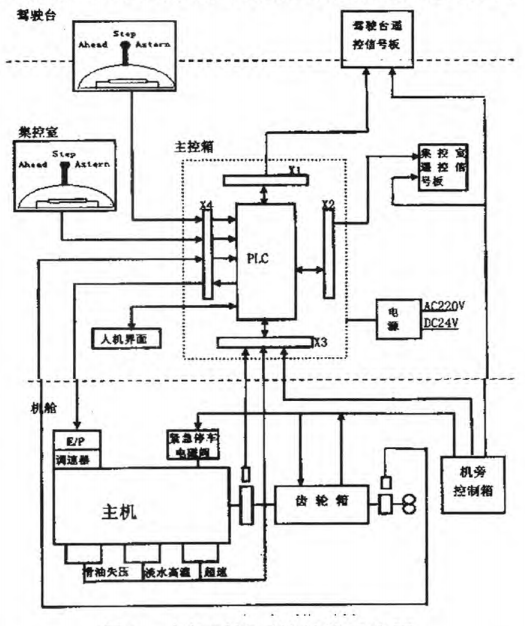
如图1主机遥控系统结构示意图所示。
遥控操纵台提供给了船舶驾驶员进行人机对话的界面,它主要设置在驾驶舱内,船舶驾驶员操纵界面上的手柄,对主机遥控系统发出运行命令,界面上的显示屏会显示各项参 数和信号、警报情况,以及车钟记录和辅车钟信号;遥控装置依据遥控操纵台给出的各项指令,实现对主机的启动、换向、制动、停油等程序的控制,它是整个遥控系统的控制中心;主机的转速和转向主要用测速装置来检测,测速装置向遥控装置提供了主机的运行状态;安全保护装置主要起保护船舶主机遥控系统正常运行的作用,它通常是监视船舶主机运行过程中的一些参数,及时发现参数的越限问题,及时控制主机减速,以此来保障船舶的安全运行;遥控执行机构与主机操纵系统主要是在遥控系统出现故障时,可以及时控制船舶的一套应急的主机操纵系统,以此来执行遥控装置发出的起动、换向、制动等控制命令。
船舶的这五个部分相辅相成,共同运转,组成了船舶的主机遥控系统。
这五个部分虽然种类繁多、结构复杂,但是熟悉、掌握了主机遥控系统,对处理船舶主机遥控系统故障问题时有着非常大的帮助。
图1 主机遥控系统结构示意图
船舶的主机遥控系统是船舶运行过程中的核心,它的内容多且复杂,因此船舶在发生故障时,如果不是非常熟悉这个系统组成部分,那么就很难及时找到故障发生的原因,不能及时进行维修,进而影响船舶的正常工作。
船舶维修人员需要全面掌握主机遥控系统的知识,才能在解决船舶故障问题时,能够 快速准确的定位故障地点、找出故障原因,及时解决故障。
二
故障的快速诊断方法
船舶主机遥控系统故障的快速诊断也就是指的是信息的诊断,工作人员可以采用很多种方法获得船舶故障的信息,根据这些信息进行分析、诊断、加工、处理,从而找出故障发生的原因,解决故障,保障船舶的正常工作。
船舶主机遥控系统经常会出现不能启动或启动难、不能换向或调速的故障,这些故障产生的原因主要是船舶的安全装置在船舶行驶 过程中,针对参数的异常情况起的保护作用的装置,此外, 还有一些如图2所示的燃油系统故障、喷油故障、海水系统故障、主滑油系统故障等问题。
图2 船舶常见的主机故障
因此,我们在诊断船舶的故障问题时,要依据一定的方法,准确定位故障发生的地方,然后诊断出故障原因以及相应的解决方法:
1.了解船舶的安全保护装置
船舶的安全保护装置,主要是在船舶运行时,操作界面参数出现了越限的情况,此时安全保护装置自动诊断船舶出现了系统问题,因此开启了安全保护装置,运行应急主机操作系统对船舶进行运行操作。
船舶的安全保护装置主要有油压、水压、油温、水温、超速、曲柄箱油雾浓度监测这些装置,所以我们在船舶出现故障问题时首先要确定船舶运行时的参数是否出现了异常,是否开启了安全保护装置。
安全保护装置开启后会导致传感器发出误导信息,使得船舶维修人员进行故障排除时经常走弯路,浪费时间,不能及时定位故障出现的地点以及原因,因此诊断船舶故障时需要了解船舶的安全保护装置,这样才能及时排除误导信息,快速找出船舶的故障原因。
2.检查船舶阀件是否发生动作
船舶的管道较多,电、气转换的管道阀件部分也需要进行检查。
当船舶遇到无法启动的故障时,在主机操作系统发出操作指令后,维修人员可以去检查船舶阀门元件的管路,如果此时的阀件不发生动作,那么就要继续寻找故障原因。
船舶在启动的过程中,车钟手柄接到主机系统发出运行指令后开始启动,如若启动后主机无反应,可以用维修工具来推动阀件阀芯,使主机到达启动位置。
主机能够启动,那么船舶故障就不是在气路管道,这时就要检查船舶的电磁阀件,电磁发件没有问题后,船舶仍无法正常启动,那就要检查船舶电磁阀与执行机构之间的管道线路问题。
这样,通过一步步的排除性检查,就能快速的诊断出船舶的系统故障。
3.检查船舶主机遥控系统是否正常运行
有很多的因素可以导致船舶的主机遥控系统发生故障,因此在遇到船舶故障问题时,船舶工作人员也要检查主机遥控系统是否在正常的运行。
如果船员的操作没有失误,我们就可以判断船舶主机遥控系统的执行机构(启动阀、调速器等)是正常运行的,然后检查指令系统,就可以知道船舶的工作状态是否出现异常,以及参数设置是否越限,这些数值通过指示灯、数码管、显示屏显现出来,维修人员可以直观的判断是否是由于船舶硬件故障导致的故障,判定故障后,然后根据事故的具体现象来分析原因,找出解决方法。
船舶在工作途中发生故障时,一般很难及时找到原因并且迅速解决问题,所以需要船舶工作人员非常熟悉船舶主机操作系统的内部构造,了解船舶的安全保护设置,及时检查 船舶阀件是否发生动作,以及检查船舶主机遥控系统是否正常运行,按照这样的思路、程序、方法来检索可能出现故障的地方,可以帮助工作人员尽快找出导致系统无法正常工作的原因,然后确定故障所在的位置,并最终找出解决方法,解决船舶的故障问题,使船舶工作系统恢复正常。
船舶主机系统常见的故障修复数据如表1所示。
这个图直观地为我们展现了船舶在运行过程中可能出现的问题,维修人员在查找故障原因时,可以依托这些数据,尽快确定故障源,尽快解决船舶的故障问题。
三
结束语
船舶的主机遥控系统有着非常复杂的结构,因此船舶工作人员也要对该系统经常进行维护,使船舶在运行的过程中保持在一个最佳状态,保证船舶的正常工作。
工作人员要在平时经常检查船舶各个阀件的管道接口处密封垫的老化程度,及时发现隐患,及时更换;经常检查各个元件的运行情况,及时更换损坏的元件;经常对船舶的阀件进行保养,做好维护,这样才能保证船舶主机遥控系统在工作时的正常运行,不能等到船舶出现故障问题,再去重视主机遥控系统的检修。
船舶工作人员经常进行船舶的主机遥控系统检查,可以熟悉了解这个系统的构造,在遇到船舶故障问题时,可以快速定位故障地点,迅速找出故障原因,及时解决故障,保障船舶的正常工作。
本文原创作者系:
广东交通职业技术学院 连廷耀
END
来源:船机帮
电话:025-85511250 / 85511260 / 85511275
传真:025-85567816
邮箱:89655699@qq.com



