| 时间:2022-04-28 | 编辑:E航网 | 阅读:1407 | 分享: |
点击蓝字“船机帮”关注我们
船机故障心莫慌,遇事不决船机帮
经验分享
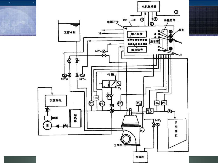
分油机常见故障:
(1)出水口跑油(油水分界面外移过多)
重力盘内径选择过大——停机换重力盘;
分离温度过低——提高分离温度;
水封水太少——停止进油,重新引入水封水;
进油过快或过大——停止进油,重新引入水封水;
排油泵出口阀未开——开阀;
排油泵失去工作能力——检修;
(2)排渣口跑油(活动底盘脱落)
高置水箱无水或水路堵塞;
控制阀损坏使外管大量进水;
配水盘漏泄(内管水进如外管);
转速不足(离合器打滑或电机故障);
分油作业时间太长,积渣过多;
塑料堵头损坏或G孔堵塞。
(3)溢油(油水分界面内移过多)
进油量过大、分离筒内积渣过多、重力盘内径太小。
(4)分离效果差
积渣太多、油温太低、粘度过大、重力盘内径太小、进油量过多、转速不足等;
(4)异常振动和噪音
分离筒装配不正(盘架销口未对正、颈盖未落座、分离筒盖松脱、本体与立轴联接螺母松脱等);
传动齿轮磨损使间隙过大或跳齿;
轴承损坏、减振弹簧损坏或压盖未上紧;
分离筒内积渣分布不均匀;
部分紧固件松动(地脚螺栓、电机螺栓等);
(5)不能排渣
高置水箱水位过低、控制阀外管堵塞、活动底盘密封圈损坏使油渣漏入、M通道堵塞等;
(6)油泵吸不上油或排量不足
吸入管漏气、滤器堵塞、泵安全阀漏气、油太粘、转速不足、泵损坏等。
以下是正文......
END
来源:船机帮
电话:025-85511250 / 85511260 / 85511275
传真:025-85567816
邮箱:89655699@qq.com



