| 时间:2022-06-13 | 编辑:E航网 | 阅读:901 | 分享: |
点击蓝字“船机帮”关注我们
船机故障心莫慌,遇事不决船机帮
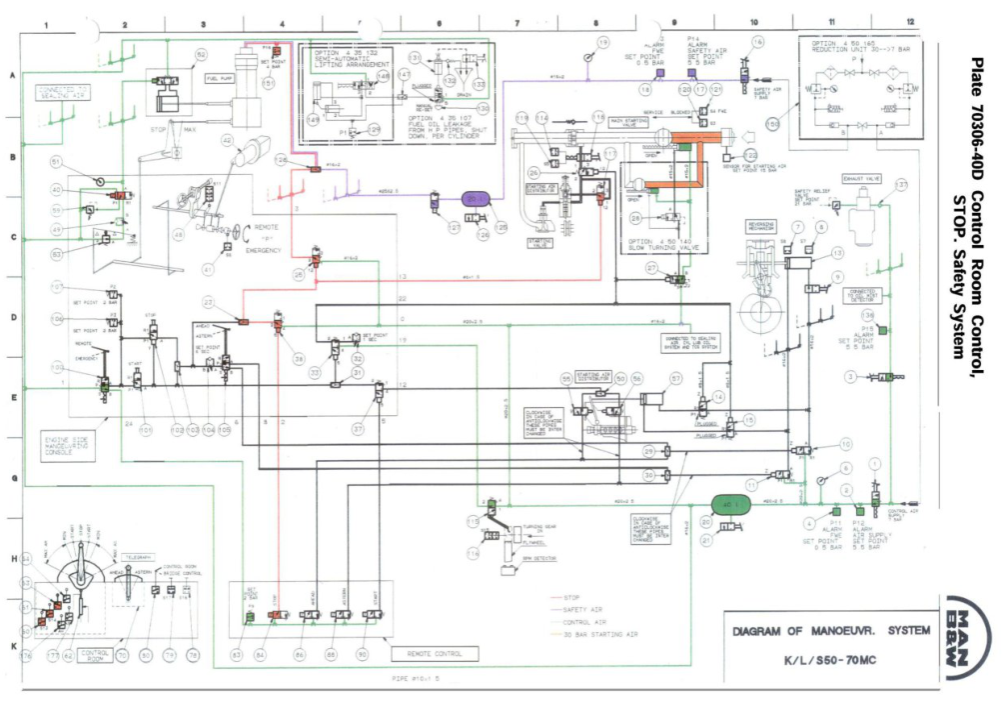
操纵系统测试方法:
测试时,至少需要两个人配合,一个人操作,一个人进行观察和测试。
1、测试前,首先应关闭空气瓶至主机的的出口阀和主起动阀、空气分配器的控制空气截止阀等,防止柴油机空气起动。
2、测试安全系统是否正常,确认安全系统止常后,必须将安全系统的控制空气关闭,使之不再起作用,否则将影响主机停油控制部分的测试。
3、根据测试方案,反复进行起动和换向操作,并注意观察换向阀、空气分配器换向气缸、起动控制阀、慢转起动控制阀和高压油泵拉杆等动作是否正常( 必要时松开空气连接管,看是否有控制空气)。如果发现异常,应拆检相应的阀件或与之相连的其他控制阀件,通过这种方法可以检查出大部分阀件的故障。
4、如果上述阀件无异常,应进一步检查具有泄放功能的阀件( 如换向阀、换向连锁阀、起动连锁阀、起动阀、停车阀等),在反复起动或换向操作时,观察是否泄放,如果有泄放应检测延迟泄放的时间。延迟时间的检查非常重要,它间接测试了与之相连的单向节流阀的节流时间。系统中所有的单向节流阀的节流时间都是严格限定的,过长或过短都会对整个系统造成影响。
5. 根据故障类别对相关的速度设定调压阀进行检查和测试,必要时应进行调整和拆检。
END
来源:船机帮
电话:025-85511250 / 85511260 / 85511275
传真:025-85567816
邮箱:89655699@qq.com



