| 时间:2022-06-17 | 编辑:E航网 | 阅读:1999 | 分享: |
点击蓝字“船机帮”关注我们
船机故障心莫慌,遇事不决船机帮
导读
介绍了6135ACa3型船用柴油机操纵系统的基本工作过程,分析了某船6135ACa3 型主柴油机的不能倒车起动的原因并介绍了排除这一故障的方法。
一、概述
船舶柴油机的换向性能是影响船舶动力装置机动性的一个重要原因,在各种海损事故中,由船舶主柴油机故障而引发的海损事故占有相当大的比例。
下面以某轮为例,谈谈处理此类问题的一些注意事项。
事故船舶的主机使用6135ACa3型柴油机作为主机,它是一种可逆转、单作用、四冲程、六缸、筒形活塞式船用柴油机,可直接驱动螺旋桨或通过减速装置而驱动螺旋桨,该型机以性能稳定,操纵灵活方便等优点著称,被广泛用作内河及近海运输船、渔业船及拖船的主机。
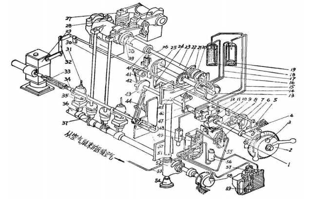
操纵系统图如下图。
二、工作过程及故障现象
当操纵盘 2 回转时(如转到“倒车”位置),固定在操纵轴 9 上的扇形控制块 1 0 便旋转,抬起了换向阀摇臂 11 的一端,使换向阀 12 右面的阀被打开,直到换向阀阀杆不能上升为止,此时换向阀摇臂碰在换向阀的阀杆上,操纵盘的旋转就被挡住了,不能再转动。
压缩空气从空气总管 53 经减压阀 48,通过换向阀右边的阀沿管子 15 进入倒车油缸 19,倒车油缸内的机油在空气压力的作用下,沿管子 17 压入换向控制器 13,换向控制器的旋转活塞在机油压力的作用下,按顺时针方向转动,同时在旋转活塞的作用下,换向控制器另一面的机油沿管子 16 排入顺车油缸 18,而在顺车油缸内的空气沿管子 14 通过换向阀排至大气中。
旋转活塞旋转时,齿轮 21 和 22 便转动进气阀摇臂的偏心轴 39,偏心轴的旋转可分为三个过程,每个过程约为 120° 转角。
在第一过程中,进气门和排气门的滚轮和挺杆向上抬起,使凸轮轴沿轴向移动时凸轮不致被滚轮挡住。
滚轮在第二过程内的前 60°转角时还少许提高,而再转 60°时它便开始降回第二过程之前的位置。
与此同时由于立轴 50 上摇臂 45 的滚子沿着蜗壳 20 的螺旋槽滚动,结果使立轴转动,通过下摇臂 52 拨动凸轮轴 36 作轴向移动,使凸轮轴上的另一套配气凸轮移到滚轮下面工作。
由于凸轮轴的轴向移动,空气分配器的滑阀轴也相应旋转了一定的角度,以适应新的转向的起动定时。
在第三过程内挺杆的滚轮重新落在凸轮面上,根据装置在旋转活塞轴上的标牌“顺车”及“倒车”来检查换向工作的完成情况。
在换向的过程中,换向控制器旋转带动连杆 24 和偏心轴臂,从面使偏心轴转动,在偏心轴的作用下,换向阀摇臂同扇形控制块分离,切断压缩空气同时换向阀摇臂重新处于水平状态,换向过程结束。
该船的操纵系统在以前的操作过程中,从未出现过用于换向的机油出现异常泄漏,换向、起动都很正常。
但有一段时间常出现换向、起动困难的问题,尤其以倒车为甚。
其相关现象为:
在倒车换向结束后,柴油机的操纵盘无法继续朝倒车方向转动,无法倒车起动柴油机;在换向阀 12 处有大量的油漏出并伴随有气流声;在这段时间,倒车油缸几乎每天都得加注机油,否则就有可能因机油不足而不能换向到位或不能换向,而顺车油缸的机油却可以长期不用加注。
三、原因分析
与故障排除通过详细的观察,发现将操纵盘由顺车位置转至倒车位置(即逆时针转动)时,如果倒车油缸中的机油足够的话,操纵系统能正常地完成换向,但在换向结束时,换向阀摇臂 10 仍被操纵轴上的扇形控制块 11 顶住,使操纵盘不能向“起动”位置转动,如图(b),导致出现故障,不能起动柴油机;同时因换向阀摇臂 10 不能复位,无法切断压缩空气管路,导致压缩空气的持继作用引起换向油缸中机油经换向阀上的气孔中溢出,如果此时你用螺丝刀强制将换向阀摇臂复位,泄漏立刻停止,此便是倒车油缸中机油异常泄漏的原因。
我们在详细分析了整个系统的结构,初步认为柴油机在长期的工作过程中,它绝大部分的时间是在顺车方向上运行,由于该柴油机是机旁操纵的原因,每次油门的调整都得转动操纵盘从而使操纵轴朝顺时针方向转动,长期的作用导致驱动换向阀摇臂复位的偏心轴 5 出现不均匀磨损,即偏心轴 5 在朝顺时针方向的一边磨损多一点而逆时针方向的一边磨损少一点,这样,当进行倒车操作时,由于偏心轴在两个方向上厚度不均匀,导致换向阀摇臂被卡在扇形控制块上而不能 回中,导致柴油机不能向倒车方向起动。
知道了故障的原因,解决问题就很简单了,由于它是因磨损不均匀引起偏心轴的不平衡,所以我们可以通过一定的措施让它重新恢复平衡或对原来的不平衡进行补偿。
在排除这一故障时,我们用锉刀对换向阀摇臂右边的小缺口进行修锉,将被扇形控制块顶住的部分用锉刀锉去,以补偿偏心轴在倒车方向上的不平衡。
反复多次进行,只到换向阀摇臂在换向到位时能顺利脱开即可。
后来,另一条船的6135ACa3 柴油机也出现同类问题,采用这一方法也取得很好的效果。
四、结束语
船舶在机动航行时,出现主机起动困难往往会造成紧张局面,给船舶的正常营运带来很大的威胁。
以上的措施虽能暂时解决问题,为了船舶的安全运行,在条件允许时还是应该更换这一偏心轴。
同时应认真做好进、出港前各机械设备的检查试验工作,特别是影响到船舶机动航行的关键设备,发现问题及早解决,及时采取应对措施。
本文原创作者系:
桂林海事局 郑晓东
END
来源:船机帮
电话:025-85511250 / 85511260 / 85511275
传真:025-85567816
邮箱:89655699@qq.com



