| 时间:2021-03-15 | 编辑:E航小E | 阅读:891 | 分享: |
导读
“万寿山”轮是一艘35000DWT吨散货船,在我厂进行常规和海损两大项目修理。
该轮因海水从尾轴渗入致使机舱被淹没,3台发电机受海水和机舱的污水浸泡长达10天,我们采用水煮沸的方法对发电机进行除盐,然后再清洗、烘干、浸绝缘漆处理。
其中1#发电机经烘潮一周,绝缘仍然低于1 MΩ,定子和转子绕组外送电机厂重绕,3台发电机顶部的励磁装置换新。
发电机为1FC5465-8TA42型三相无刷同步发电机,频率:50 Hz、额定电压:400 V、功率:388 kW,由无锡电机厂制造。

一
发电机试验
在1#发电机组完成空转磨合之后,进行电气试验,柴油机加速到额定转速时,频率表读数为50Hz,电压表读数为370V,发电机能正常起压。
然后旋动外接电压整定电位器,观察空载电压调节范围,但电压表显示只能在340~400 V之间可调节,不符合产品说明书电压可调范围(额定电压值的±5%)的要求。
在调整空载电压时,应分两步走。
1)发电机在额定转速时,先将“AVR”1号线(或5号线)拔掉,测量发电机输出端电压,观察这时空载电压是否在440~450 V之间。
在发电机建立电压后,电抗器铁芯会产生很强的磁性吸力,需要用很大力才能改变气隙,为了省力和安全,应将发电机停止以后,拧松紧固电抗器L1衔铁的螺栓,用已经做好的层压绝缘板,把L1的气隙垫高。
然后将紧固螺栓拧紧,再次起动发电机建立电压,观察电压显示是多少,若电压过高,可减小气隙,若电压还是达不到440V,可继续增加层压板,一直调整到满足要求为止。
2)如果发电机一开始空载电压就偏高,这时可以将电抗器上用来紧固衔铁的四支螺栓拧紧(或抽掉气隙中的垫片),发电机的电压将会下降,这是因为电抗器在出厂之前,四支紧固螺栓没有完全拧紧,在气隙中放有几块层压环氧板,有意预留给用户调整发电机的空载电压。
当励磁装置的空载电压值调整好之后,将AVR 1号线(或5号线)插回原处,调节电压整定电位器,观察电压表的读数,如果空载电压能在380~420V之间连续可调,那么空载电压的调整就完成,否则要按上述的调整步骤重新调整,满足调压范围为额定电压值的±5%为止。
2.并联运行试验
我们在完成3#发电机组单机负荷试验后,1#发电机组准备带负荷试验,为了不影响电网供电的连续性,采用2台发电机组并联的方法,将3#机组的负荷转移到1#机组上,顺便检查2台发电机组并联的情况。
3#发电机为运行机组,带有100kW、200 A的负荷,1#发电机为待并机组,在1#发电机组并入电网时,1#机组电流为200A呈感性负荷,3#机组电流为30 A呈容性负荷。
为了使两台机组的无功电流不要相差太大,稍为旋动3#发电机的电压整定电位器,就出现了1#机组电流为100A呈容性负荷,3#机组电流为400A呈感性负荷,无功负荷无法转移,我们认为是无功补偿电路接线有误,而导致出现上述不正常的现象,应该停机检查无功补偿电路接线是否正确,即中间互感器T4、T5和电阻R2组成的调差电路接线。
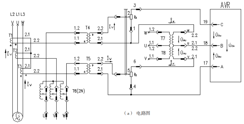
于是我们在车间找出三套旧的励磁系统,检查调差装置的接线如图1(a)所示,它们是按逆时针方向旋转的方式接线。

图1 (a)调差装置接线图

图1(b)调差装置接线图
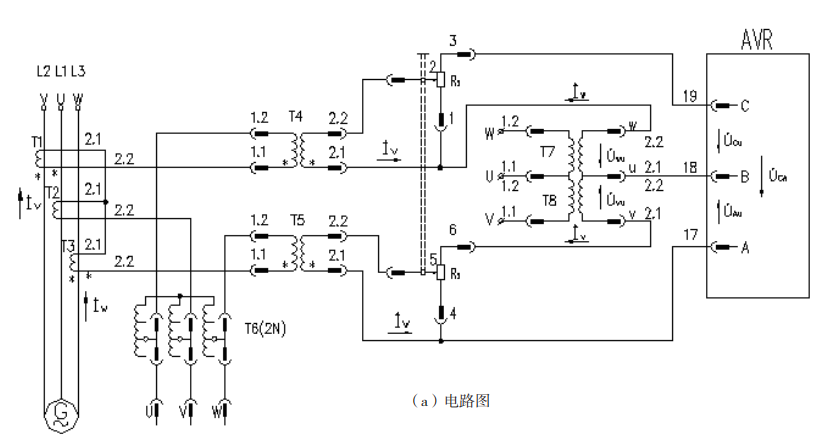
而新装在3台发电机顶部上的励磁系统中的调差装置是按顺时针方向旋转方式接线,如图2(a)所示。

图2(a) 调差装置接线图

图2(b)调差装置接线图
比较两图可知,它们的接线方式不同在于互感器T4、T5的副边同名端接的位置不一样,产生 的效果刚好相反。
无功分配的原理是:
当无功电流IQ增大时,则测量回路输入电压(UAu、UCu、UCA)增大,通过 AVR的调节作用,使励磁电流减少,发电机端电压下降。
同样是3#机组为运行发电机组,在1#发电机组并入电网后,流过1#发电机的无功电流比3#发电机的无功电流小,则输入1#励磁系统的AVR测量回路的电压比3#励磁系统的要小,因此,通过AVR的自动调节作 用,增大1#发电机的励磁电流,使发电机的端电压升高,分担3#发电机部分无功负荷;而3#发电机通过AVR调节作用,减少了励磁电流,使发电机的端电压下降,将部分无功负荷转移到1#发电机上,这样就能 逐渐将3#发电机的无功负荷转移到1#发电机上来,直到两台发电机的无功负荷平均分担为止。
3.实效试验
在3台发电机水电阻负荷试验和并联试验合格后,发电机便向船上的电网正常供电,为船上其它设备的试验提供电源,并且进一步检验发电机实际运行的工况。
在试验功率较大的电动机时,出现了如下情况:
如在起动主机滑油泵37kW、主机冷却海水泵45kW和压载泵45kW时,发电机端电压瞬时下降到290V、恢复时间约2s。
经过调整“AVR”上的动态恢复时间电位器TN、电压放大倍数电位器VR,动态电压恢复时间缩短了,但瞬时电压下降最低值没有改变。
于是我们利用改变整流变压器T6副边的抽头位置,增强输出信号。
在改变整流变压器抽头之前,再次检查旧的励磁装置,参照对比原来整流变压器副边引出线的抽头位置,旧装置电流信号引入线与输出信号线都是放在抽头5的位置上。
而3台新的整流变压器的电流信号线放在抽头6的位置上,输出信号线放在抽头4的位置上。
也就是新装置整流变压器副边输出信号比旧装置要弱。
于是将3台新的整流变压器副边的两根信号线都放在抽头5的位置上,再重新调整空载电压。
在1#发电机组空载时,拔掉AVR上的1号线(或5号线),测量发电机输出端的电压为480V,空载电压高于额定电压的114%,将原先放在电抗器气隙中的3片0.5mm厚的非磁性绝缘薄片抽掉,这时电压表读数为446V,在额定电压的108%~114%范围之内。
用同样的方法调整2#、3#发电机空载电压,调整后的空载电压值:
2#发电机为443V、3#发电机为446V。
然后分别起动主机滑油泵、主机冷却海水泵和压载泵试验,试验结果瞬时电压降:
1#发电机机为400V—360V—400V、
2#发电机为400V—340V—400V、
3#发电机为400V—350V—400V,
电压恢复时间均不超过0.5s,这些电动机都能正常起动。

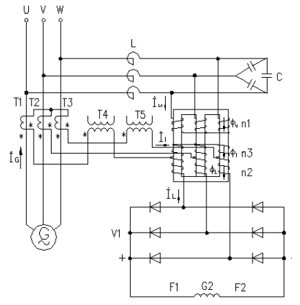
图3 励磁装置接线图
下面分析其原因所在:
从图3可见,整流变压器原边绕组n1与电抗器串联后,接在发电机的输出端,引入电压分量Ìu构成自励回路,在绕组n1上有电流Ìu流过,它的大小与发电机端电压成正比,于是在整流变压器铁芯中有交变的磁通φu产生,因此,在副边绕组n2中有感应电流ÌL产生,电流ÌL经整流装置V1转变成直电流,供给励磁机G2励磁电流。
此时ÌL与发电机负载电流ÌG无关,它只起空载自励起压和建立发电机额定电压的作用。
当发电机带上负荷运行时,从电流互感器(T1、T2、T3)的副边引入一个电流分量Ìi,经互感器T4、T5的原边流入整流变器T6的副边绕组n3,电流Ìi的大小与发电机的负载电流成正比,它也在铁芯中产生磁通φi与电压分量产生的磁通φu进行电磁迭加,迭加的结果在铁芯中产生主磁通绕φL。
根据变压器原理可知,当电源电压为常数时,在铁芯中的主磁通保持不变,但整流变压器中的主磁通φL在工作过程中是可变的,这是由于原边绕组n1串入了电抗器,即在原边绕组外接入一个具有内阻抗的外电源,这样加在原边绕组的电压不是电源电压,而是经电抗器分压后的电压,使得加在原边绕组n1上的电源外特性变软,只要流过绕组n1上的电流稍微有变化,就立即引起加在绕组n1两端上的电压发生变化。
这时在整流变压器铁芯中的主磁通再也不是恒定不变的,而是根据不同的工作状况有所变化,主要是随着副边绕组n3中的电流分量Ìi而变化。
因此,发电机在带载运行时,在整流变压器中的合成磁通φL,是由原边绕组n1电压分量产生的磁动势Ìun1和副边绕组n3电流分量产生的磁动势Ìini迭加而成的磁动势ÌLn2产生的,故得:
Ìun1+Ìin3=ÌLn2(1)
或 ÌL=(Ìun1+Ìin3)/n2 (2)
于是磁通φL在副边绕组n2中有一个感应电动势ÌL 产生,感应电势ÌL加在整流装置V1上,在整流装置交流则有励磁电流ÌL产生。
从公式(2)可知,励磁电流 ÌL与电压分量和电流分量的矢量和成正比,而与副边绕 组n2中的匝数成反比。
因磁动势Ìun1建立起空载额定电压后基本上是不变的,所以交流侧励磁电流ÌL主要是与电流分量Ìi、绕组n3中的匝数和绕组n2中的匝数有关。
若在负载电流不变的情况下,增加绕组n3中的匝数(改变绕组的抽头)或减少绕组n2中的匝数,励磁电流ÌL图3励磁装置接线图增加,反之励磁电流ÌL减小。
当整流变压器副边绕组的抽头位置调整后保持不变,这时的励磁电流ÌL随着负载电流的大小和功率因数而变化。
由于相复励恒压装置是以负载电流ÌG调节为主,所以它的动态特性很好。
当在电网上突然增加负载时,也引起电流分量Ìi突然增大,因而励磁电流ÌL 随着增大。
虽然在突加负载时、也会引起发电机端电压下降,使到电压分量Ìu减小,但此时的电流复励信号强度远大于电压信号,致使合成磁通φL迅速增加,使到励磁电流ÌL快速增大,从而制止了电压的下降,减小发电机端电压下降的最低值。
二
结束语
在调整更新后的1FC5系列发电机励磁系统时,新励磁系统内的互感器、变压器的插头位置、同轴电阻R2,应该按旧的励磁系统的插头位置来插接或整定。
新励磁系统的调试最好是在发电机运行一段时间后进行,在不带AVR的情况下,发电机的空载电压应在额定电压的108%~114%范围之内,若不在其电压值范围之内,则利用调整电抗器L1的气隙来达到其整定值,但电抗器的气隙不应大于5 mm,空载电压调整合格后,接入AVR,调整AVR内的Usol1电位器或外接电位器,观察空载电压是否能在额定电压的95%~105%范围内连续可调,若能可调便完成空载电压的调整。
发电机带负载运行后电压降的调整,是利用改变整流变压器T6的副边抽头位置来改变复励分量的大小,从而使到发电机端电压基本不变。

本文原创作者系:
中海工业菠萝庙船厂
曹亚堂,杨世能,张泰康
END
来源:网络
电话:025-85511250 / 85511260 / 85511275
传真:025-85567816
邮箱:89655699@qq.com



